Запчасти Case 220 (B-072) - VALVE BANK (07) - HYDRAULIC SYSTEM

Схема запчастей Case 220 - (B-072) - VALVE BANK (07) - HYDRAULIC SYSTEM
FIT
1:1
100%

Артикул

Название

Примечание

Количество

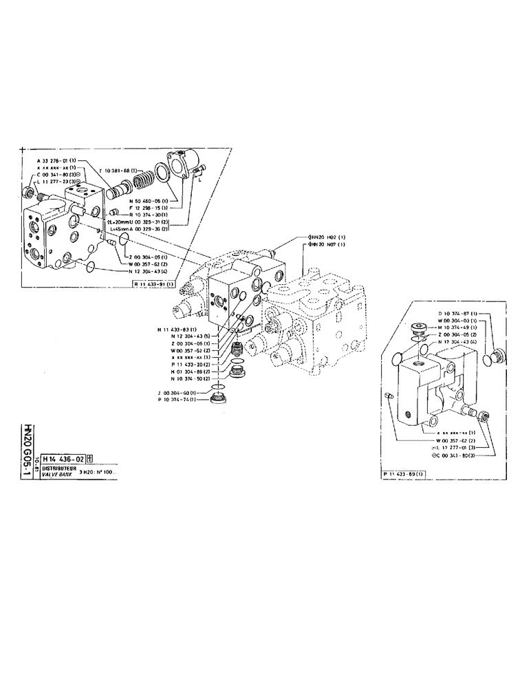
A3327801

VALVE POPPET

VALVE

1шт.

C0034180

NUT

3шт.

L1127723

THREADED ROD

ASSEMBLING ROD, M18 x 285

3шт.

T1038168

COMPRESSION SPRING

COMPRESSION SPR

1шт.

N5046005

GASKET

SEAL

1шт.

F1229815

CAP

COVER

1шт.

R1037430

ASSEMBLY

ASSY

1шт.

U0032931

SCREW/BOLT, M10 x 20

2шт.

A0032936

SCREW/BOLT, M10 x 45

2шт.

Z0030405

SEAL, 2.62 x 32.99-80

1шт.

W0035762

SPLIT PIN/SAFET, 10 x 18

2шт.

N1230443

O-RING,23.47MM ID x 2.62MM OD

SEAL, 2.62 x 23.47-80

4шт.

H1143383

LARGE PLATE

PLATE

1шт.

N1230443

O-RING,23.47MM ID x 2.62MM OD

SEAL, 2.62 x 23.47-80

5шт.

Z0030405

SEAL, 2.62 x 32.99-80

1шт.

W0035762

SPLIT PIN/SAFET, 10 x 18

2шт.

P1143320

VALVE POPPET

VALVE

2шт.

H0130486

SEAL, 2.62 x 34.59-80

2шт.

N1037450

PLUG

M33 x 1.5

2шт.

J0030460

SEAL, 2.62 x 25.07-80

1шт.

P1037474

PLUG

M22 x 1.5

1шт.

HM20H02

1шт.

HN20N07

1шт.

D1037487

PLUG

M24 x 1.5

1шт.

W0030403

SEAL, 2.62 x 26.64-80

1шт.

M1037449

PLUG

M30 x 1.5

1шт.

Z0030405

SEAL, 2.62 x 32.99-80

2шт.

N1230443

O-RING,23.47MM ID x 2.62MM OD

SEAL, 2.62 x 23.47-80

4шт.

W0035762

SPLIT PIN/SAFET, 10 x 18

2шт.

L1727701

THREADED ROD

ASSEMBLING ROD, M18 x 130

3шт.

C0034180

NUT

3шт.

P1143389

SHIN

BRACKET

1шт.

Выбрано товаров: 32