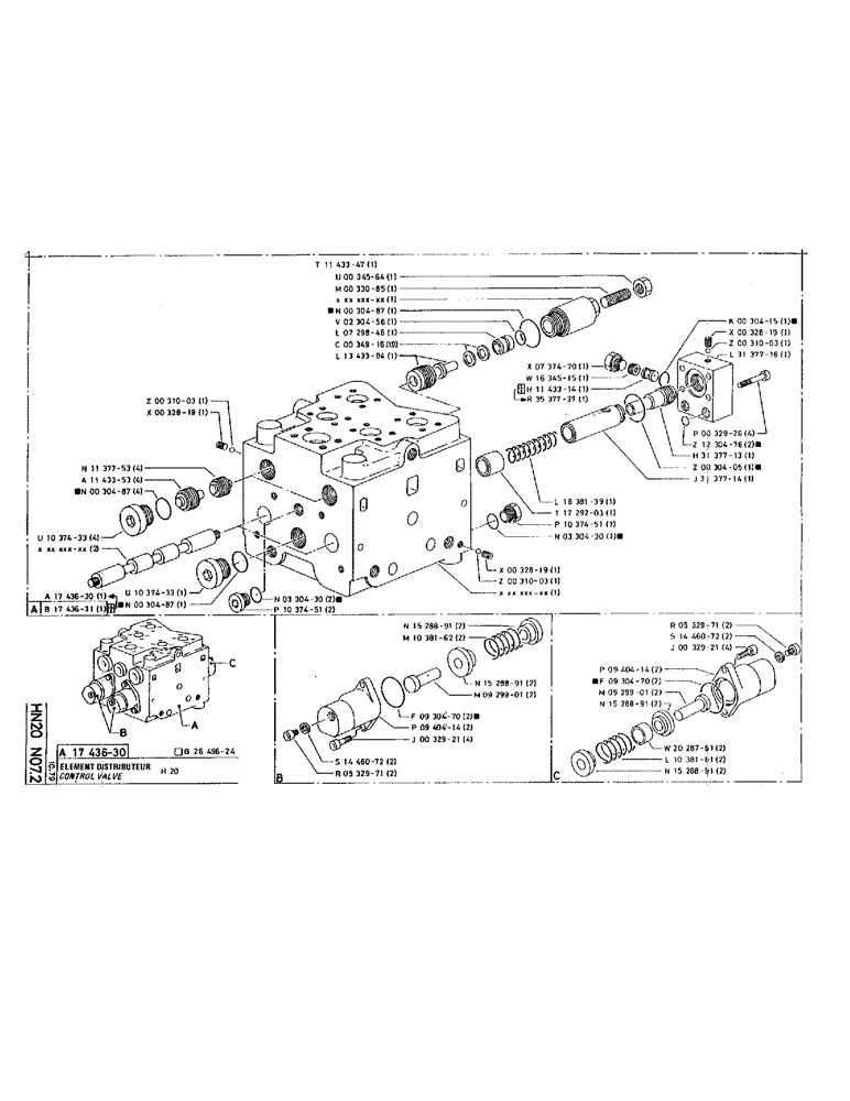
Запчасти Case 220 (B-074) - CONTROL VALVE (07) - HYDRAULIC SYSTEM

Схема запчастей Case 220 - (B-074) - CONTROL VALVE (07) - HYDRAULIC SYSTEM
FIT
1:1
100%

Артикул

Название

Примечание

Количество

Z0031003

BALL

1шт.

X0032819

SCREW/BOLT, M8 x 8

1шт.

N1137753

VALVE POPPET

VALVE

4шт.

A1143353

VALVE POPPET

VALVE

4шт.

N0030487

SEAL, 2.62 x 37.77-80

4шт.

U1037433

PLUG

M36 x 1.5

4шт.

A1743630

SHIN

BRACKET

1шт.

U1037433

PLUG

M36 x 1.5

1шт.

N0030487

SEAL, 2.62 x 37.77-80

1шт.

B2649624

SEAL PACKAGE

SET OF SEALS

1шт.

T1143347

VALVE

1шт.

U0034564

NUT

1шт.

M0033085

SCREW/BOLT, M16 x 40

1шт.

N0030487

SEAL, 2.62 x 37.77-80

1шт.

V0230456

2.5 x 20

1шт.

L0729846

PUSHER

1шт.

C0034916

SPRING WASHER, 25 x 12.2 x 1.5

19шт.

L1343394

ASSEMBLY

1шт.

N0330430

SEAL, 2.62 x 21.89-80

2шт.

P1037451

PLUG

2шт.

X0737470

PLUG, M18 x 1.5

1шт.

W1634515

NUT

M18 x 1.5

1шт.

H1143314

VALVE POPPET

VALVE

1шт.

R3537737

CARTRIDGE

1шт.

L1638139

COMPRESSION SPRING

COMPRESSION SPR

1шт.

T1729203

SPACER

1шт.

P1037451

PLUG

1шт.

N0330430

SEAL, 2.62 x 21.89-80

1шт.

X0032819

SCREW/BOLT, M8 x 8

1шт.

Z0031003

BALL

1шт.

N1528891

CUPEL

2шт.

M1038162

COMPRESSION SPRING

COMPRESSION SPR

2шт.

N1528891

CUPEL

2шт.

M0929901

END FITTING

2шт.

F0930470

SEAL, 3.53 x 44.04-80

2шт.

P0940414

COVER

2шт.

J0032921

SCREW/BOLT, M8 x 20

4шт.

S1446072

WASHER

GASKET, 11 x 6.6 x 1.6

2шт.

R0532971

SCREW/BOLT, M6 x 5

2шт.

K0030415

SEAL, 2.62 x 20.29-80

1шт.

X0032819

SCREW/BOLT, M8 x 8

1шт.

Z0031003

BALL

1шт.

L3137716

BODY

1шт.

P0032926

SCREW/BOLT, M8 x 45

4шт.

Z1230476

O-RING

SEAL, 2.62 x 7.59-80

2шт.

H3137713

SLEEVE

1шт.

Z0030405

SEAL, 2.62 x 32.99-80

1шт.

J3137714

SPOOL

VALVE SPOOL/DRA

1шт.

R0532971

SCREW/BOLT, M6 x 5

2шт.

S1446072

WASHER

GASKET, 11 x 6.6 x 1.6

2шт.

J0032921

SCREW/BOLT, M8 x 20

4шт.

P0940414

COVER

2шт.

F0930470

SEAL, 3.53 x 44.04-80

2шт.

M0929901

END FITTING

2шт.

N1528891

CUPEL

2шт.

W2028781

SPACER

2шт.

L1038161

COMPRESSION SPRING

COMPRESSION SPR

2шт.

N1528891

CUPEL

2шт.

Выбрано товаров: 0