Запчасти Case 220 (B-015) - SEAT (12) - Chassis/Attachments

Схема запчастей Case 220 - (B-015) - SEAT (12) - Chassis/Attachments
FIT
1:1
100%

Артикул

Название

Примечание

Количество

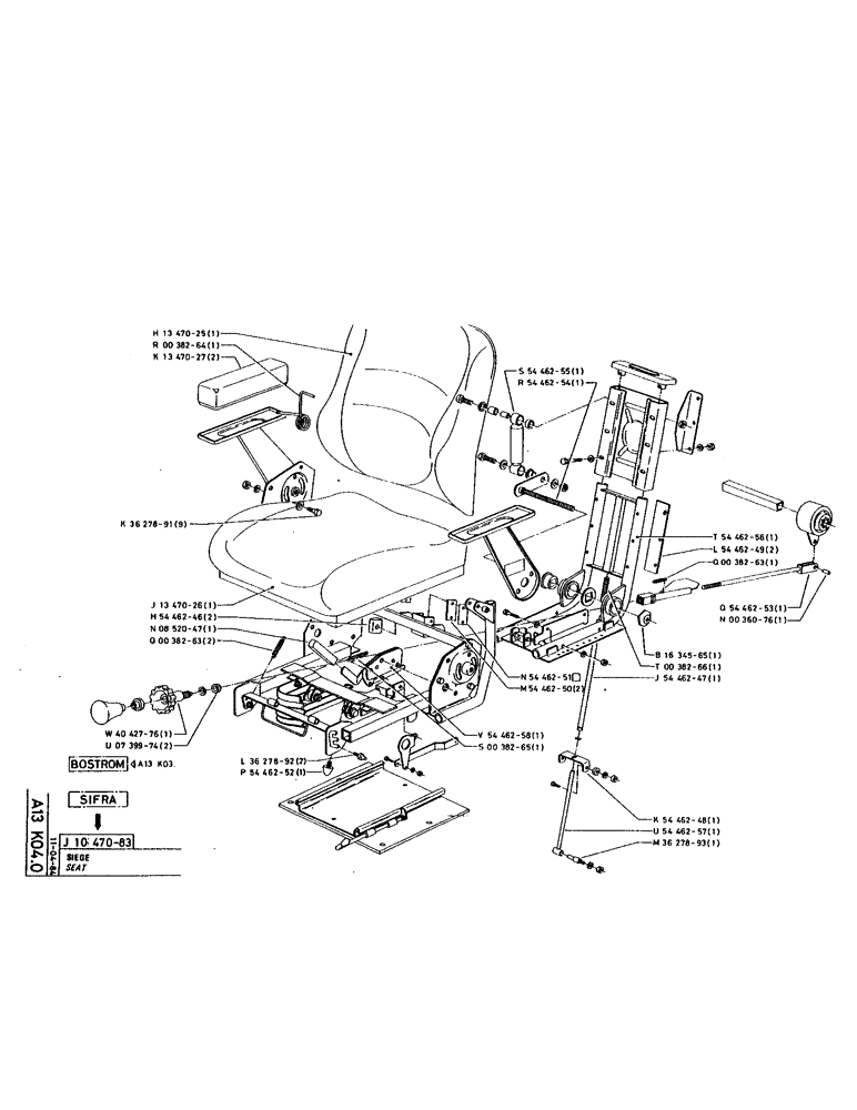
H1347025

BACKREST

BACK

1шт.

R0038264

SPRING

1шт.

K1347027

ARMREST

2шт.

K3627891

LARGE PIN

PIN

9шт.

J1347026

CUSHION

1шт.

H5446246

SKID/SHOE

2шт.

N0852047

HANDLE

1шт.

Q0038263

SPRING

2шт.

W4042776

HANDWHEEL

WHEEL

1шт.

U0739974

STOP

2шт.

L3627892

LARGE PIN

PIN

2шт.

P5446252

STOP

1шт.

V5446258

LEVER

1шт.

S0038265

SPRING

1шт.

N5446251

SHIM KIT

SET OF SHIMS

1шт.

M5446250

LARGE PLATE

2шт.

S5446255

SHOCK ABSORBER

1шт.

R5446254

STUD

1шт.

T5446256

FRAME

1шт.

L5446249

LARGE PLATE

PLATE

2шт.

Q0038263

SPRING

1шт.

B1634565

NUT

1шт.

T0038266

SPRING

1шт.

J5446247

GUIDE

1шт.

K5446248

NO LONGER SERVICED

U PIECE

1шт.

U5446257

STEM

ROD

1шт.

M3627893

LARGE PIN

PIN

1шт.

A13K03

1шт.

Q5446253

CLEVIS

FORK

1шт.

N0036076

SPLIT PIN/SAFET

1шт.

Выбрано товаров: 30