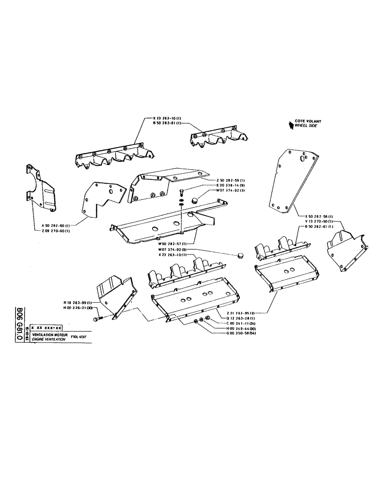
Запчасти Case 220 (B-036) - ENGINE VENTILATION (01) - ENGINE

Схема запчастей Case 220 - (B-036) - ENGINE VENTILATION (01) - ENGINE
FIT
1:1
100%

Артикул

Название

Примечание

Количество

A5028260

HOOD

PLATE

1шт.

Z0927060

PLATE

1шт.

R1826399

HOOD

PLATE

1шт.

H0032621

SCREW/BOLT, M6 x 16

30шт.

X2326310

HOOD

PLATE

1шт.

B5028261

HOOD

PLATE

1шт.

W5028257

HOOD

PLATE

1шт.

W0737492

PLUG

9шт.

X2326310

HOOD

PLATE

1шт.

Z5028259

HOOD

PLATE

1шт.

E0033814

SCREW/BOLT, M8 x 20

9шт.

W0737492

PLUG

3шт.

X5028258

HOOD

PLATE

1шт.

V1327050

HOOD

PLATE

1шт.

B5028261

HOOD

PLATE

1шт.

Z2126395

HOOD

PLATE

2шт.

Q1226328

HOOD

PLATE

1шт.

C0034111

NUT

24шт.

H0034944

SPRING WASHER

30шт.

G0035058

WASHER

54шт.

Выбрано товаров: 0