Качественные детали и логистика
Оригинальные и аналоговые запчасти с доставкой по России, Казахстану и Беларуси
©2022 PartSell ООО "Система" ИНН 2463123282 ОГРН 1212400004838
Центральный офис: г. Красноярск, Академика Киренского, д.87, пом.4
Телефон: 8 (800) 777-65-74 Email: zakaz@partsell.ru
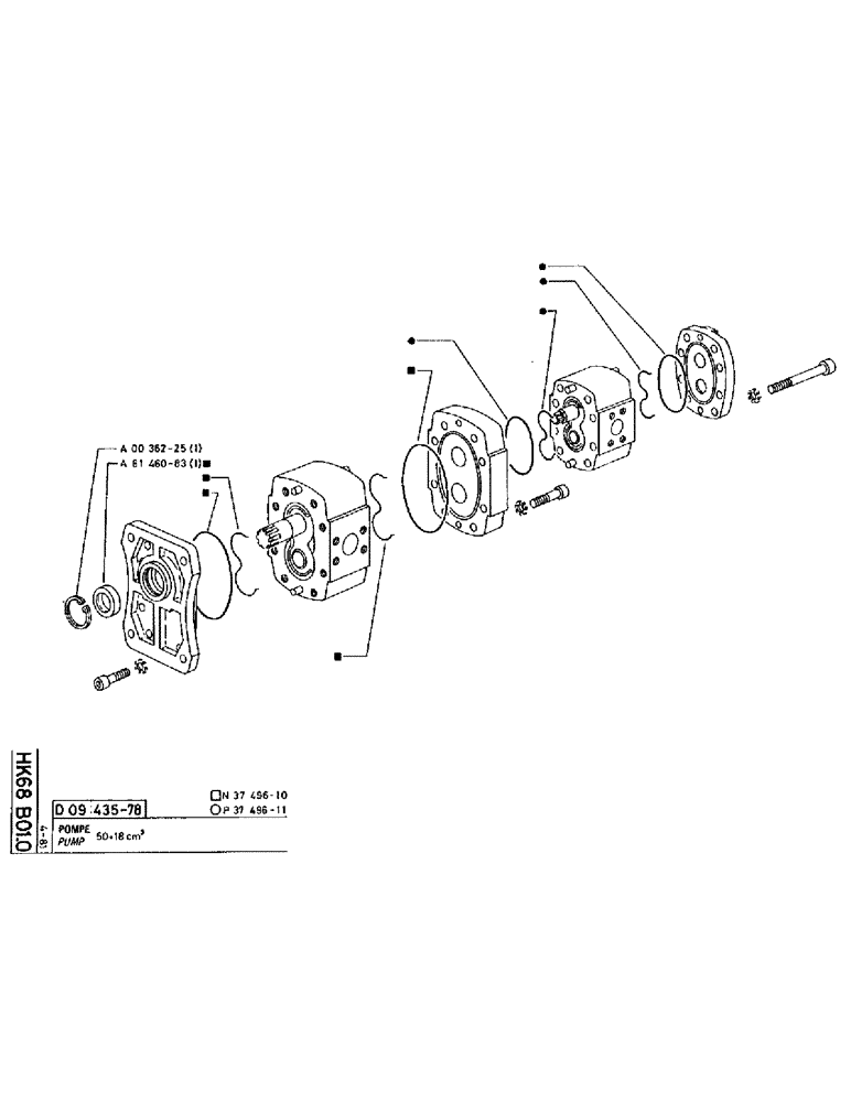
(B-063) - PUMP
№
Артикул
Название
Примечание
Количество
A0036225
LOCKING RING
1шт.
A6146083
BEARING
BUSHING, 26 x 40 x 6 x 6.5
Выбрано товаров: 0