Запчасти Case 220 (244) - CAB ELECTRICAL ACCESSORIES (06) - ELECTRICAL SYSTEMS

Схема запчастей Case 220 - (244) - CAB ELECTRICAL ACCESSORIES (06) - ELECTRICAL SYSTEMS
FIT
1:1
100%

Артикул

Название

Примечание

Количество

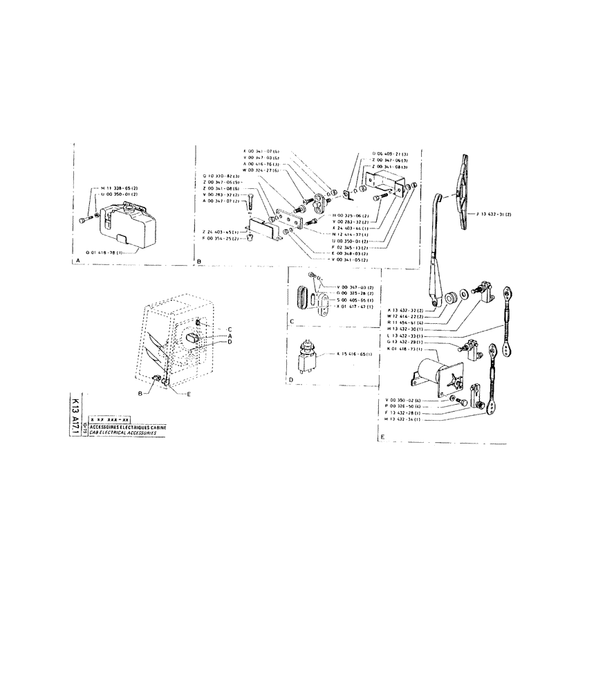
P1133865

SCREW

/BOLT, M6 x 20

2шт.

P35001

WASHER

2шт.

P141878

WINDSHIELD WASHER

WINDSCREEN-WASH

1шт.

P1033082

SCREW

/BOLT

3шт.

P34706

WASHER

9шт.

P34108

NUT

6шт.

86508568

BOLT,Hex, M6 x 1 x 16mm, Cl 8.8

BOLT, Hex, M6 x 16, Cl 8.8, Full Thd

2шт.

P34707

WASHER

2шт.

P2440345

CASE

BOX

1шт.

P35425

RIVET

2шт.

P35425 Rivet. See SAT 71

1шт.

P34107

NUT

6шт.

P34107 Nut. See NITS 3257, 3270, 3271, 3275, 3291

1шт.

P34703

WASHER

6шт.

P41676

IGNITION SWITCH

SWITCH

3шт.

P32427

SCREW

/BOLT, M4 x 10

6шт.

P32506

SCREW

/BOLT, M3 x 12

2шт.

P32506 Screw/Bolt. See SAT 71

1шт.

86508568

BOLT,Hex, M6 x 1 x 16mm, Cl 8.8

BOLT, Hex, M6 x 16, Cl 8.8, Full Thd

2шт.

P2440344

CASE

BOX

1шт.

P1241437

RUBBER INSULATOR

INSULATOR

1шт.

P35001

WASHER

2шт.

P35001 Washer. See EEX9001E; NITS 3271, 3275, 3291; SAT80

1шт.

P234513

SAFETY NUT

2шт.

P234513-Safety/Stop Nut. See EEX9001E; NITS 3254, 3263, 3275, 3291; SAT 71

1шт.

P34803

WASHER

2шт.

86508812

NUT,M3, Cl 8

2шт.

P34105 Nut. See SAT 71

1шт.

P640921

CONNECTION

3шт.

P34706

WASHER

3шт.

P34108

NUT

3шт.

P34108 Nut. See NIT 3132; SAT 71

1шт.

P1343231

WIPER BLADE

BRUSH

2шт.

1343231 Wiper Blade. Described in parts list as "Brush"

1шт.

P34703

WASHER

2шт.

P32528

SCREW

/BOLT, M4 x 8

2шт.

P32528 Screw/Bolt. See NITS 3270, 3271

1шт.

P40565

LAMP

BULB

1шт.

P141747

COURTESY LIGHT

DOME LIGHT

1шт.

P1541665

SWITCH

REVERSER

1шт.

P1541665 Reverser Switch. See SAT 72

1шт.

P1343232

BRUSH HOLDER

2шт.

P1343232-Wiper Blade Arm. Described in parts list "Brush Holder"

1шт.

P1241422

GROMMET

GUIDE

2шт.

P1145461

WASHER

17 x 3 x 55

4шт.

P1343230

JOURNAL

TRUNNION

1шт.

P1343233

ROD, CONNECTING

CONNECTING ROD

1шт.

P1343229

JOURNAL

TRUNNION

1шт.

P141873

WIPER MOTOR

MOTOR

1шт.

P35002

WASHER

4шт.

P35002 Washer. See EEX9001E; NITS 3252, 3262, 3263, 3275, 3292, 3293; SAT 47

1шт.

120104

BOLT,Hex, M8 x 1.25 x 20mm, Cl 8.8

BOLT, Hex, M8 x 20, 8.8

4шт.

P1343228

JOURNAL

TRUNNION

1шт.

P1343234

CONNECTING ROD

1шт.

Выбрано товаров: 54