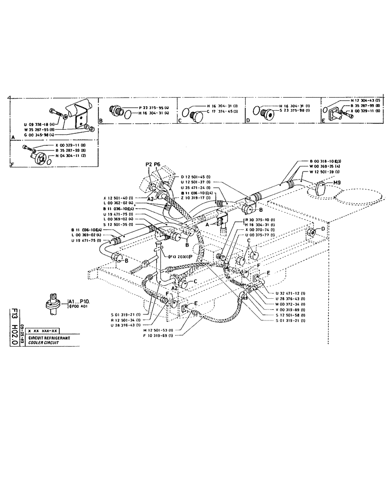
Запчасти Case 220 (114) - COOLER CIRCUIT (07) - HYDRAULIC SYSTEM

Схема запчастей Case 220 - (114) - COOLER CIRCUIT (07) - HYDRAULIC SYSTEM
FIT
1:1
100%

Артикул

Название

Примечание

Количество

P933818

SCREW

/BOLT, M10 x 40 x 40

4шт.

P3528795

WASHER

10.25 x 7 x 25

8шт.

P34598

SAFETY NUT

4шт.

P2337595

UNION

4шт.

P1630431

O-RING,0.103" Thk x 1.424" ID, -127, Cl 5, 75 Duro

SEAL, 2.62 x 36.17-80

4шт.

P1630431

O-RING,0.103" Thk x 1.424" ID, -127, Cl 5, 75 Duro

SEAL, 2.62 x 36.17-80

3шт.

P1737445

PLUG

3шт.

P1630431

O-RING,0.103" Thk x 1.424" ID, -127, Cl 5, 75 Duro

SEAL, 2.62 x 36.17-80

1шт.

P2337598

RESTRICTOR

18 x 1.5

1шт.

P1230443

O-RING

SEAL, 2.62 x 23.47-80

2шт.

P3528799

WASHER

6.25 x 4 x 15

8шт.

P32911

SCREW

/BOLT, M6 x 20

8шт.

P1103610

PIPE

34 x 45

1шт.

P36902

COLLAR CLAMP

CLAMP COLLAR

4шт.

P1947175

PIPE

26 x 34

1шт.

P1250140

PIPE

20 x 27

1шт.

P1103610

PIPE

34 x 45

1шт.

P1947175

PIPE

26 x 34

1шт.

P36902

COLLAR CLAMP

CLAMP COLLAR

4шт.

P1250135

PIPE

26 x 34

1шт.

P1250145

PIPE, 26 x 34

1шт.

P1250137

COLLECTOR, 33 x 42

1шт.

P3547124

PIPE, 26 x 34

1шт.

P1103610

PIPE

34 x 45

1шт.

P1031917

HOSE

1шт.

P31810

HOSE, BULK

PIPE

1шт.

P36935

COLLAR CLAMP

CLAMP COLLAR

4шт.

P1250139

PIPE, 33 x 42

1шт.

P3037510

FITTING

CONNECTION

1шт.

P1630431

O-RING,0.103" Thk x 1.424" ID, -127, Cl 5, 75 Duro

SEAL, 2.62 x 36.17-80

1шт.

P37074

ELBOW-CONNECTION

1шт.

P37577

PIPE

19 x 27

1шт.

P131921

HOSE

1шт.

P1250134

PIPE, 20 x 27

1шт.

P2837643

PIPE

1шт.

P1250153

PIPE

1шт.

P1031969

HOSE

1шт.

P3247112

PIPE

15 x 21

1шт.

P2837643

PIPE

1шт.

P37234

TEE

T PIECE, DN21 x 27 x 21

1шт.

P31989

HOSE

1шт.

P1250158

PIPE, 15 x 21

1шт.

P131921

HOSE

1шт.

Выбрано товаров: 43