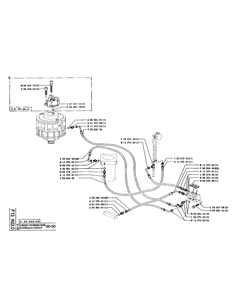
Запчасти Case 220 (126) - HYDRAULIC CIRCUIT (07) - HYDRAULIC SYSTEM

Схема запчастей Case 220 - (126) - HYDRAULIC CIRCUIT (07) - HYDRAULIC SYSTEM
FIT
1:1
100%

Артикул

Название

Примечание

Количество

P32979

SCREW

/BOLT, M14 x 80

2шт.

See NIT 3233

1шт.

P32903

SCREW

/BOLT, M14 x 35

2шт.

P30318

O-RING

SEAL, 3.6 x 23

2шт.

P2137784

SHIN

BRACKET, 20 x 27

1шт.

P30401

O-RING,2.5mm Thk x 18.5mm ID

2.5 x 18.5

1шт.

P137508

UNION

1шт.

P1237562

END FITTING

1шт.

See NIT 1005

1шт.

P3656

PIPE

1шт.

See NIT 1005

1шт.

P37236

TEE

T PIECE

1шт.

P1237562

END FITTING

1шт.

See NIT 1005

1шт.

P37553

UNION

1шт.

P1237561

END FITTING

1шт.

See NIT 1005

1шт.

P1237562

END FITTING

1шт.

See NIT 1005

1шт.

P3656

PIPE

1шт.

P1237561

END FITTING

1шт.

See NIT 1005

1шт.

P37592

UNION

2шт.

P30444

O-RING,2.5mm Thk x 15mm ID, 80 Duro

2.5 x 15

2шт.

P922890

LARGE PLATE

PLATE

1шт.

P34709

WASHER

3шт.

P32644

SCREW,Hex, M8 x 16

/BOLT, M8 x 16

3шт.

P30444

O-RING,2.5mm Thk x 15mm ID, 80 Duro

2.5 x 15

2шт.

P37592

UNION

2шт.

P1237562

END FITTING

2шт.

See NIT 1005

1шт.

P3656

PIPE

1шт.

P1237562

END FITTING

1шт.

See NIT 1005

1шт.

P837542

UNION

1шт.

P30405

O-RING

SEAL, 2.62 x 32.99-80

2шт.

See SAT 81

1шт.

P837542

UNION

1шт.

P1237561

END FITTING

1шт.

See NIT 1005

1шт.

P3656

PIPE

1шт.

P3656

PIPE

1шт.

P1237561

END FITTING

1шт.

See NIT 1005

1шт.

P137508

UNION

1шт.

P30401

O-RING,2.5mm Thk x 18.5mm ID

2.5 x 18.5

1шт.

Выбрано товаров: 46