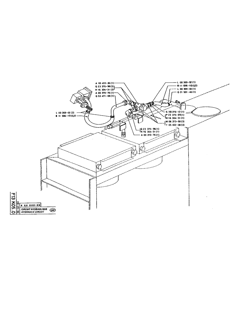
Запчасти Case 220 (132) - HYDRAULIC CIRCUIT (07) - HYDRAULIC SYSTEM

Схема запчастей Case 220 - (132) - HYDRAULIC CIRCUIT (07) - HYDRAULIC SYSTEM
FIT
1:1
100%

Артикул

Название

Примечание

Количество

P36902

COLLAR CLAMP

CLAMP COLLAR

2шт.

P36902 Hose Clamp. See EEX8006E, EEX8006ES1; NIT 3238

1шт.

P1103610

PIPE

34 x 45

1шт.

P1103610-Hose (1M). See NIT 1128

1шт.

P1843335

BLOCK ASSY.

BLOCK

1шт.

P2337596

FITTING

CONNECTION

2шт.

P1630431

O-RING,0.103" Thk x 1.424" ID, -127, Cl 5, 75 Duro

SEAL, 2.62 x 36.17-80

2шт.

P37076

ELBOW UNION

ELBOW CONNECTION

1шт.

P5347169

PIPE, 26 x 34

1шт.

P36902

COLLAR CLAMP

CLAMP COLLAR

1шт.

P1103610

PIPE

34 x 45

1шт.

P36902

COLLAR CLAMP

CLAMP COLLAR

1шт.

P2150146

PIPE

1шт.

P3837612

PIPE

26 x 34

1шт.

P2337595

UNION

1шт.

P2337595 Adaptor. See NIT 1128

1шт.

P1630431

O-RING,0.103" Thk x 1.424" ID, -127, Cl 5, 75 Duro

SEAL, 2.62 x 36.17-80

1шт.

P1630431-Seal. See NEXSB01890; SAT 82

1шт.

P637350

RESTRICTOR

M45 x 1.5-34G

3шт.

P545209

DEUTZ PART

COPPER SEAL

3шт.

P2337596

FITTING

CONNECTION

1шт.

P1630431

O-RING,0.103" Thk x 1.424" ID, -127, Cl 5, 75 Duro

SEAL, 2.62 x 36.17-80

1шт.

P37076

ELBOW UNION

ELBOW CONNECTION

1шт.

Выбрано товаров: 23