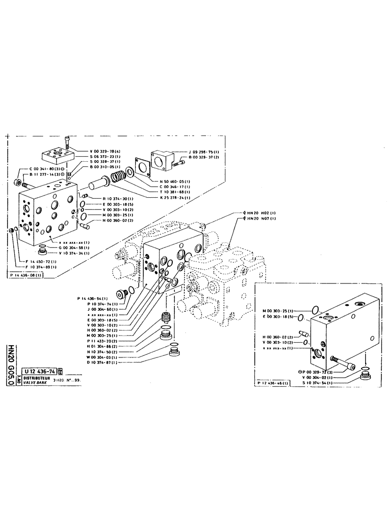
Запчасти Case 220 (200) - VALVE BANK (07) - HYDRAULIC SYSTEM

Схема запчастей Case 220 - (200) - VALVE BANK (07) - HYDRAULIC SYSTEM
FIT
1:1
100%

Артикул

Название

Примечание

Количество

P32978

SCREW

/BOLT, M14 x 30

4шт.

P637323

RESTRICTOR

DN42 x 34

1шт.

P32837

SCREW

/BOLT, M12 x 12

1шт.

P31005

BALL

1шт.

825-1418

NUT,M18, Cl 8

part not sold under assembly reference number

3шт.

P1127714

STEM

ROD, M18 x 275, part not sold under assembly reference number

3шт.

P1037430

ASSEMBLY

ASSY

1шт.

P30318

O-RING

SEAL, 3.6 x 23

5шт.

P30310

SEAL

2.7 x 12.1

2шт.

P30325

SEAL,0.139" Thk x 1.359" ID, -220, Cl 5, 75 Duro

3.6 x 34.1

1шт.

P36002

SPLIT PIN/SAFET, 10 x 20

2шт.

P30458

O-RING,0.103" Thk x 1.174" ID, -123, Cl 6, 90 Duro

SEAL, 2.62 x 29.82-80

1шт.

P1037434

PLUG

M27 x 1.5

1шт.

P1445072

HOLE PLUG BUTTON

BUTTON, 12 x 2

1шт.

P1037489

PLUG

M14 x 1.5

1шт.

P1443608

SHIN

BRACKET

1шт.

P1443654

LARGE PLATE

PLATE

1шт.

P1037474

PLUG

M22 x 1.5

1шт.

P30460

O-RING,0.103" Thk x 0.987" ID, -120, Cl 5, 75 Duro

SEAL, 2.62 x 25.07-80

1шт.

P30460 O-ring. See NIT 3211; SAT 81

1шт.

P30318

O-RING

SEAL, 3.6 x 23

5шт.

P30310

SEAL

2.7 x 12.1

2шт.

P36002

SPLIT PIN/SAFET, 10 x 20

2шт.

P30325

SEAL,0.139" Thk x 1.359" ID, -220, Cl 5, 75 Duro

3.6 x 34.1

1шт.

P1143320

VALVE POPPET

VALVE

2шт.

P130486

O-RING

SEAL, 2.62 x 34.59-80

2шт.

P130486 O-ring/Seal. See NEXSB01890

1шт.

P1037450

PLUG

M33 x 1.5

2шт.

P30403

O-RING,0.103" Thk x 1.049" ID, -121, Cl 6, 90 Duro

SEAL, 2.62 x 26.64-80

1шт.

P1037487

PLUG

M24 x 1.5

1шт.

P929875

CAP

COVER

1шт.

P32937

SCREW

/BOLT, M10 x 50

2шт.

P32937 Screw/Bolt. See EEX8011E; NITS 3077, 3228, 3263, 3269, 3293

1шт.

P5046005

SEAL

1шт.

P34617

WASHER

1шт.

P1038168

COMPRESSION SPRING

COMPRESSION SPR

1шт.

P2527824

VALVE POPPET

VALVE

1шт.

P30325

SEAL,0.139" Thk x 1.359" ID, -220, Cl 5, 75 Duro

3.6 x 34.1

1шт.

P30318

O-RING

SEAL, 3.6 x 23

5шт.

P36002

SPLIT PIN/SAFET, 10 x 20

2шт.

P30310

SEAL

2.7 x 12.1

2шт.

P32972

SCREW

/BOLT, M18 x 100, part not sold under assembly reference number

3шт.

P30402

O-RING

2.5 x 22.5

1шт.

P30402 O-ring/Seal. See NITS 3208, 3260

1шт.

P1037454

PLUG

M20 x 1.5

1шт.

P1243646

SHIN

BRACKET

1шт.

P1243674

BLOCK, no longer sold

1шт.

Выбрано товаров: 47