Запчасти Case 220 (201) - VALVE BANK (07) - HYDRAULIC SYSTEM

Схема запчастей Case 220 - (201) - VALVE BANK (07) - HYDRAULIC SYSTEM
FIT
1:1
100%

Артикул

Название

Примечание

Количество

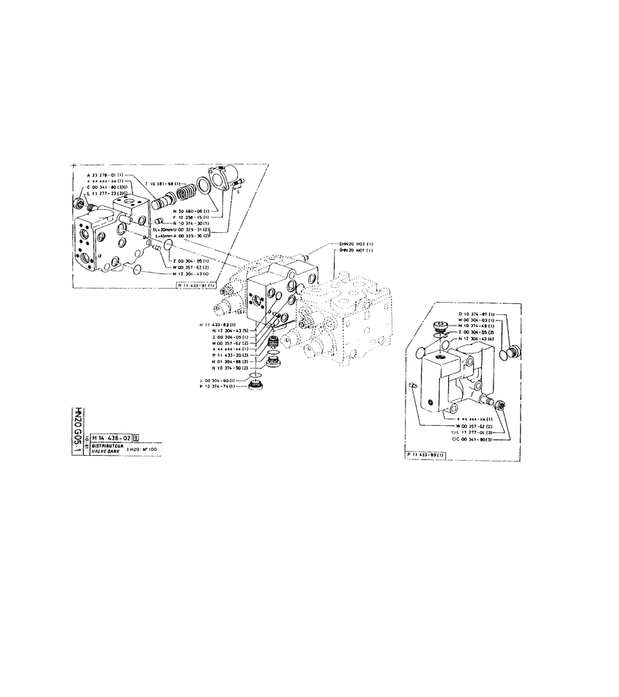
P3327801

VALVE POPPET

VALVE

1шт.

825-1418

NUT,M18, Cl 8

part not sold under assembly reference number

3шт.

P1127723

THREADED ROD

ASSEMBLING ROD, M18 x 285, part not sold under assembly reference number

3шт.

P1038168

COMPRESSION SPRING

COMPRESSION SPR

1шт.

P5046005

SEAL

1шт.

P1229815

CAP

COVER

1шт.

P1037430

ASSEMBLY

ASSY

1шт.

P32931

SCREW

/BOLT, M10 x 20, no longer exists on new models

2шт.

P32936

SCREW

/BOLT, M10 x 45

2шт.

P32936 Screw/Bolt. See NIT 3228

1шт.

P30405

O-RING

SEAL, 2.62 x 32.99-80

1шт.

P35762

SPLIT PIN/SAFETY PIN

SPLIT PIN/SAFET, 10 x 18

2шт.

P1230443

O-RING

SEAL, 2.62 x 23.47-80

4шт.

P1143391

SHIN

BRACKET

1шт.

P1143383

LARGE PLATE

PLATE

1шт.

P1230443

O-RING

SEAL, 2.62 x 23.47-80

5шт.

P1230443 O-ring/Seal. See NEXSB01890; NIT 994; SAT 81

1шт.

P30405

O-RING

SEAL, 2.62 x 32.99-80

1шт.

P30405 O-ring. See SAT 81

1шт.

P35762

SPLIT PIN/SAFETY PIN

SPLIT PIN/SAFET, 10 x 18

2шт.

P1143320

VALVE POPPET

VALVE

2шт.

P130486

O-RING

SEAL, 2.62 x 34.59-80

2шт.

P130486 O-ring/Seal. See NEXSB01890

1шт.

P1037450

PLUG

M33 x 1.5

2шт.

P30460

O-RING,0.103" Thk x 0.987" ID, -120, Cl 5, 75 Duro

SEAL, 2.62 x 25.07-80

1шт.

P30460 O-ring. See NIT 3211; SAT 81

1шт.

P1037474

PLUG

M22 x 1.5

1шт.

P1037487

PLUG

M24 x 1.5

1шт.

P30403

O-RING,0.103" Thk x 1.049" ID, -121, Cl 6, 90 Duro

SEAL, 2.62 x 26.64-80

1шт.

P1037449

PLUG

M30 x 1.5

1шт.

P30405

O-RING

SEAL, 2.62 x 32.99-80

2шт.

P1230443

O-RING

SEAL, 2.62 x 23.47-80

4шт.

P35762

SPLIT PIN/SAFETY PIN

SPLIT PIN/SAFET, 10 x 18

2шт.

P1727701

THREADED ROD

ASSEMBLING ROD, M18 x 130, part not sold under assembly reference number

3шт.

825-1418

NUT,M18, Cl 8

part not sold under assembly reference number

3шт.

P1143389

SHIN

BRACKET

1шт.

P1443602

BLOCK ASSY.

BLOCK, T20 + 1P20H, no longer sold

1шт.

Выбрано товаров: 37