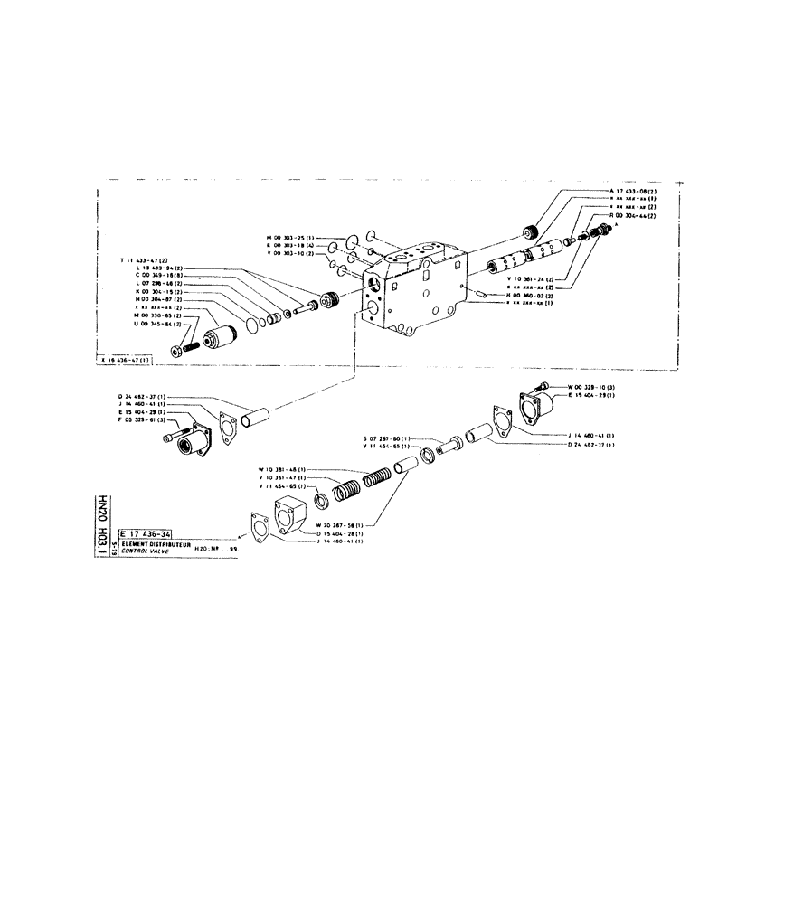
Запчасти Case 220 (207) - CONTROL VALVE (07) - HYDRAULIC SYSTEM

Схема запчастей Case 220 - (207) - CONTROL VALVE (07) - HYDRAULIC SYSTEM
FIT
1:1
100%

Артикул

Название

Примечание

Количество

P1143347

VALVE

2шт.

P1343394

ASSEMBLY

2шт.

P34916

RUBBER WASHER

SPRING WASHER, 25 x 12.2 x 1.5

8шт.

P729846

PUSHER

2шт.

P30415

O-RING,0.103" Thk x 0.799" ID, -117, Cl 6, 90 Duro

SEAL, 2.62 x 20.29-80

2шт.

P30415 Seal. See EEX8007E; NIT 994

1шт.

P30487

O-RING,0.103" Thk x 1.487" ID, -128, Cl 5, 75 Duro

SEAL, 2.62 x 37.77-80

2шт.

P30487 O-ring/Seal. See SAT 71

1шт.

P33085

SCREW

/BOLT, M16 x 40

2шт.

P33085 Screw/Bolt. See SAT 71

1шт.

P34564

NUT

2шт.

P34564 Nut. See SAT 71

1шт.

P1643647

SHIN

BRACKET

1шт.

P30325

SEAL,0.139" Thk x 1.359" ID, -220, Cl 5, 75 Duro

3.6 x 34.1

1шт.

P30318

O-RING

SEAL, 3.6 x 23

4шт.

P30310

SEAL

2.7 x 12.1

2шт.

P1038124

SPRING COMPRESSOR

COMPRESSION SPR

2шт.

P36002

SPLIT PIN/SAFET, 10 x 20

2шт.

P1743308

VALVE POPPET

VALVE

2шт.

P30444

O-RING,2.5mm Thk x 15mm ID, 80 Duro

2.5 x 15

2шт.

P2446237

PISTON

1шт.

P1446041

SEAL

1шт.

P1540429

CAP

COVER

1шт.

P532961

SCREW

/BOLT, M6 x 67

3шт.

P1038148

SPRING COMPRESSOR

COMPRESSION SPR

1шт.

P1038147

COMPRESSION SPRING

COMPRESSION SPR

1шт.

P1145465

WASHER

1шт.

P2028758

SPACER

1шт.

P1540428

CAP

COVER

1шт.

P1446041

SEAL

1шт.

P729760

END FITTING

1шт.

P1145465

WASHER

1шт.

P32910

SCREW

/BOLT, M6 x 16

3шт.

P32910-Screw/Bolt. See SAT 80

1шт.

P1540429

CAP

COVER

1шт.

P1446041

SEAL

1шт.

P2446237

PISTON

1шт.

P1743634

BRACKET

1шт.

Выбрано товаров: 38