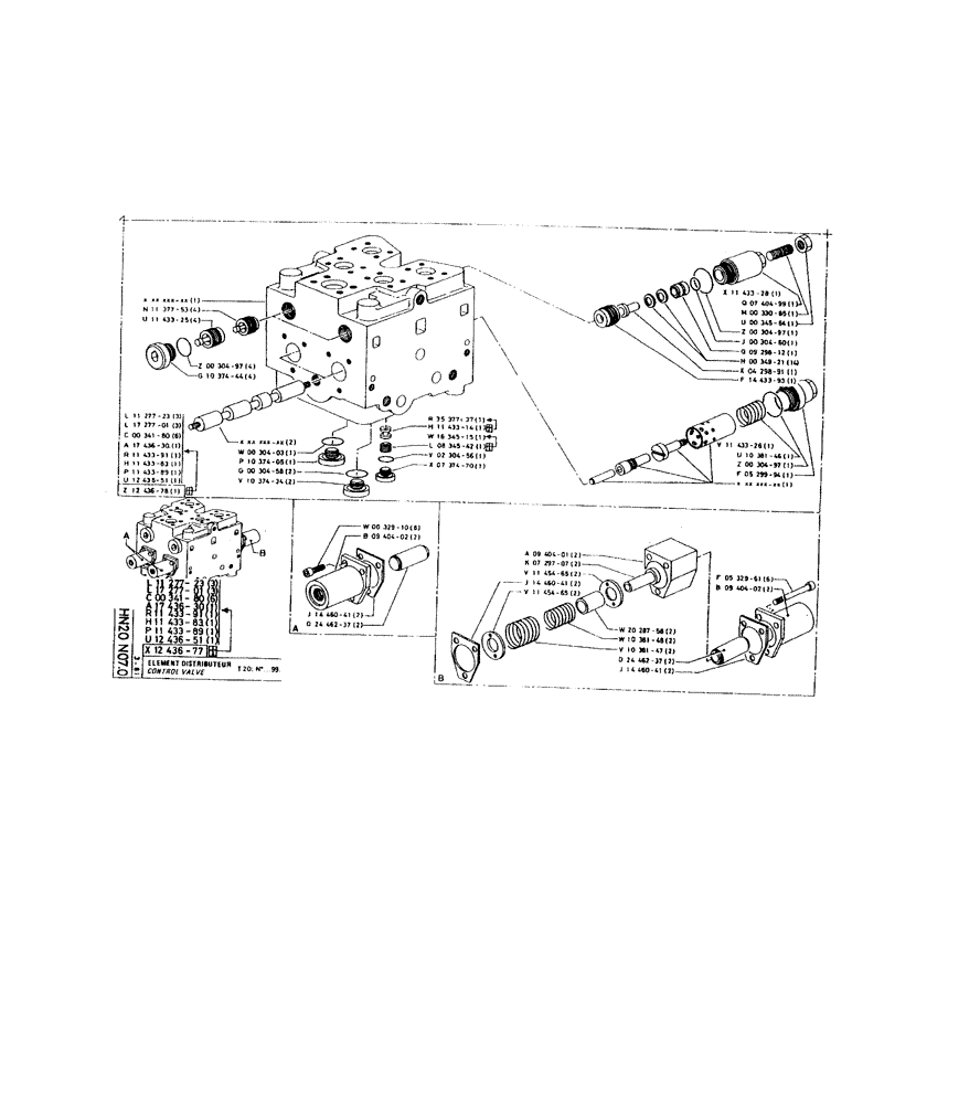
Запчасти Case 220 (208) - CONTROL VALVE (07) - HYDRAULIC SYSTEM

Схема запчастей Case 220 - (208) - CONTROL VALVE (07) - HYDRAULIC SYSTEM
FIT
1:1
100%

Артикул

Название

Примечание

Количество

P1137753

VALVE POPPET

VALVE

1шт.

P1143325

VALVE

4шт.

P30497

O-RING

3 x 41

4шт.

P1037444

PLUG

M39 x 1.5

4шт.

P1127723

THREADED ROD

ASSEMBLING ROD, M18 x 285

3шт.

P1727701

THREADED ROD

ASSEMBLING ROD, M18 x 130

3шт.

825-1418

NUT,M18, Cl 8

6шт.

P1743630

SHIN

BRACKET

1шт.

P1143391

SHIN

BRACKET

1шт.

P1143383

LARGE PLATE

PLATE

1шт.

P1143389

SHIN

BRACKET

1шт.

P1243651

SHIN

BRACKET

1шт.

P1243678

BRACKET, no longer sold

1шт.

P30403

O-RING,0.103" Thk x 1.049" ID, -121, Cl 6, 90 Duro

SEAL, 2.62 x 26.64-80

1шт.

P1037405

PLUG

M24 x 1.5

1шт.

P30458

O-RING,0.103" Thk x 1.174" ID, -123, Cl 6, 90 Duro

SEAL, 2.62 x 29.82-80

2шт.

P30458 O-ring. See NIT 994; SAT 81

1шт.

P1037434

PLUG

M27 x 1.5

2шт.

P3537737

CARTRIDGE

1шт.

P1143314

VALVE POPPET

VALVE, no longer sold

1шт.

P1634515

NUT

M18 x 1.5

1шт.

P834542

NUT

M18 x 1.5, no longer sold

1шт.

P230456

O-RING

2.5 x 20

1шт.

P737470

PLUG

M18 x 1.5

1шт.

P737470 Plug. See NIT 994.

1шт.

P1143328

VALVE

1шт.

P740499

COVER

1шт.

P33085

SCREW

/BOLT, M16 x 40

1шт.

P33085 Screw/Bolt. See SAT 71

1шт.

P34564

NUT

1шт.

P34564 Nut. See SAT 71

1шт.

P30497

O-RING

3 x 41

1шт.

P30460

O-RING,0.103" Thk x 0.987" ID, -120, Cl 5, 75 Duro

SEAL, 2.62 x 25.07-80

1шт.

P30460 O-ring. See NIT 3211; SAT 81

1шт.

P929812

PUSHER

1шт.

P34921

RUBBER WASHER

SPRING WASHER, 28 x 14.2 x 2.2

1шт.

P429891

GUIDE

1шт.

P1443393

ASSEMBLY

1шт.

P1143326

SPEED LIMITER

SPEED-LIMITER

1шт.

P1038146

SPRING COMPRESSOR

COMPRESSION SPR

1шт.

P30497

O-RING

3 x 41

1шт.

P529994

COVER

1шт.

P1127723

THREADED ROD

ASSEMBLING ROD, M18 x 285

3шт.

P1727701

THREADED ROD

ASSEMBLING ROD, M18 x 130

3шт.

825-1418

NUT,M18, Cl 8

6шт.

P1743630

SHIN

BRACKET

1шт.

P1143391

SHIN

BRACKET

1шт.

P1143383

LARGE PLATE

PLATE

1шт.

P1143389

SHIN

BRACKET

1шт.

P1243651

SHIN

BRACKET

1шт.

P1243677

SHIN

BRACKET, no longer sold

1шт.

P32910

SCREW

/BOLT, M6 x 16

6шт.

P32910-Screw/Bolt. See SAT 80

1шт.

P940402

COVER

2шт.

P1446041

SEAL

2шт.

P2446237

PISTON

2шт.

P940401

COVER

2шт.

P729707

END FITTING

2шт.

P1145465

WASHER

2шт.

P1446041

SEAL

2шт.

P1145465

WASHER

2шт.

P2028758

SPACER

2шт.

P1038148

SPRING COMPRESSOR

COMPRESSION SPR

2шт.

P1038147

COMPRESSION SPRING

COMPRESSION SPR

2шт.

P2446237

PISTON

2шт.

P1446041

SEAL

2шт.

P532961

SCREW

/BOLT, M6 x 67

6шт.

P940402

COVER

2шт.

Выбрано товаров: 68