Запчасти Case 220 (025) - SEAT (12) - Chassis/Attachments

Схема запчастей Case 220 - (025) - SEAT (12) - Chassis/Attachments
FIT
1:1
100%

Артикул

Название

Примечание

Количество

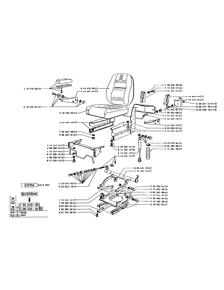
P1047060

ARMREST

ARM REST ASSEMBLY

2шт.

P1047061

ANCHOR

BRACKET

2шт.

P1047058

BACKREST

BACK

1шт.

P34609

WASHER

4шт.

P1232917

SCREW

/BOLT, 5/16 x 15.8

4шт.

P1047059

CUSHION

1шт.

P34609

WASHER

4шт.

P35001

WASHER

2шт.

P2726674

SUPPORT

BRACKET

2шт.

P35001

WASHER

2шт.

P1232916

SCREW

/BOLT, 1/4 x 19

2шт.

P1047062

PAWL

1шт.

P336318

RING, SNAP

LOCKING RING

1шт.

P34609

WASHER

4шт.

P348301

BLOCK

SHIM

2шт.

P35002

WASHER

4шт.

P134596

SAFETY NUT

4шт.

P34113

NUT

part not sold under assembly reference number

1шт.

P41470

STOP

part not sold under assembly reference number

1шт.

P533813

SCREW

/BOLT, M8 x 16, part not sold under assembly reference number

1шт.

P1334581

NUT

1шт.

P34609

WASHER

4шт.

P35001

WASHER

4шт.

P35001

WASHER

4шт.

P1232916

SCREW

/BOLT, 1/4 x 19

6шт.

P1343227

SHOCK ABSORBER

1шт.

P1047064

BOLT

BRACKET

1шт.

P36998

COLLAR CLAMP

CLAMP COLLAR

1шт.

P1340448

BELLOWS

1шт.

P641436

STOP

2шт.

P35004

WASHER

2шт.

P1533038

SCREW

/BOLT, M10 x 19.5

2шт.

P34598

SAFETY NUT

4шт.

P35004

WASHER

2шт.

P1533038

SCREW

/BOLT, M10 x 19.5

2шт.

P1047063

SET

1шт.

Выбрано товаров: 36