Запчасти Case 220 (293) - LOADER BUCKET (19) - BUCKETS

Схема запчастей Case 220 - (293) - LOADER BUCKET (19) - BUCKETS
FIT
1:1
100%

Артикул

Название

Примечание

Количество

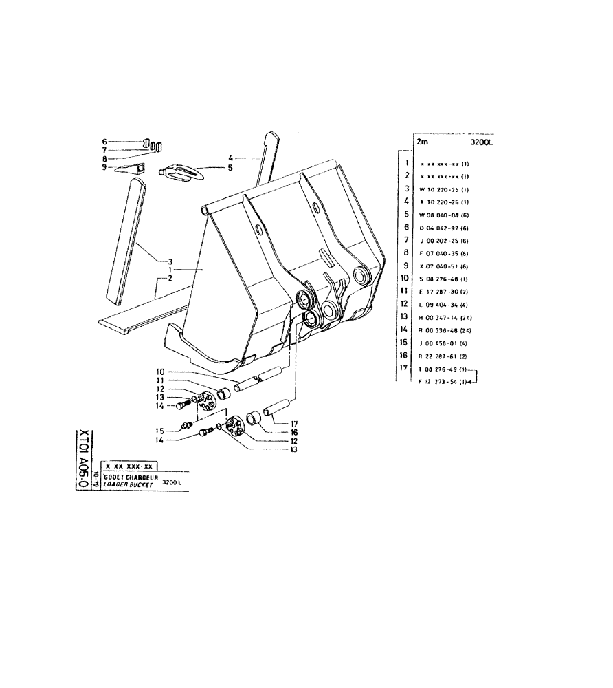
P1022025

STIFFENER

REINFORCEMENT

1шт.

P1022026

STIFFENER

REINFORCEMENT

1шт.

P804008

SUPPORT

TOOTH

6шт.

P404297

BUCKET TOOTH KEY

KEY

6шт.

P20225

BLOCK ASSY.

BLOCK

6шт.

P704035

BUCKET TOOTH KEY

KEY

6шт.

P704051

POINT

NAIL

6шт.

P827648

LARGE PIN

PIN

1шт.

P1728730

BUSHING, LARGE

BUSHING, 90 x 120 x 100

2шт.

P940434

CAP

COVER

4шт.

P34714

WASHER, LOCK

WASHER

24шт.

P33848

SCREW

/BOLT, M14 x 40

24шт.

J45801

LUBE NIPPLE,M8 x 1.25

GREASE NIPPLE, M8 x 1.25

4шт.

See NEXSL00189; NIT 3260; SAT 65

1шт.

P2228761

BUSHING, LARGE

BUSHING, 100 x 130 x 85

2шт.

P827649

PIN

1шт.

P1227354

PIN

1шт.

Выбрано товаров: 17