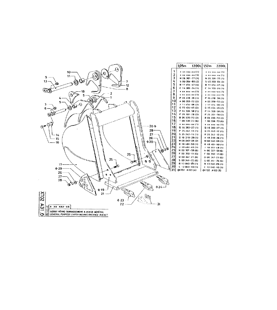
Запчасти Case 220 (298) - GENERAL PURPOSE EARTH MOVING BACKHOE BUCKET (19) - BUCKETS

Схема запчастей Case 220 - (298) - GENERAL PURPOSE EARTH MOVING BACKHOE BUCKET (19) - BUCKETS
FIT
1:1
100%

Артикул

Название

Примечание

Количество

P2630177

SHAFT LOCK

1шт.

P35965

BUSHING

65 x 75 x 58.5

2шт.

P1145447

WASHER

4шт.

P1430924

HEADED PIN

PIN, HEADED

1шт.

P1627838

SHAFT LOCK

1шт.

P35972

BUSHING

75 x 85 x 68

1шт.

P1145408

WASHER

2шт.

P1545445

WASHER, 220 x 80 x 6

2шт.

P1430958

HEADED PIN

PIN, HEADED

1шт.

P2630178

CAP

COVER

2шт.

P523573

BRAKE

LOCKING

2шт.

P33873

SCREW

/BOLT, M12 x 25

6шт.

P1638327

RING

1шт.

P3524211

STIFFENER

REINFORCEMENT

1шт.

P3524212

STIFFENER

REINFORCEMENT

1шт.

P3524214

STIFFENER

REINFORCEMENT

1шт.

P3524213

STIFFENER

REINFORCEMENT

1шт.

P1921929

BLADE

1шт.

P1921926

BLADE

1шт.

P804008

SUPPORT

TOOTH

2шт.

P804008

SUPPORT

TOOTH

3шт.

P1846150

SUPPORT

1шт.

P1846149

SUPPORT

1шт.

P32759

SCREW

/BOLT, M30 x 80

6шт.

P35011

WASHER

6шт.

P34721

WASHER

6шт.

P34125

NUT

6шт.

P1304009

BLADE

1шт.

P1304010

BLADE

1шт.

Выбрано товаров: 29