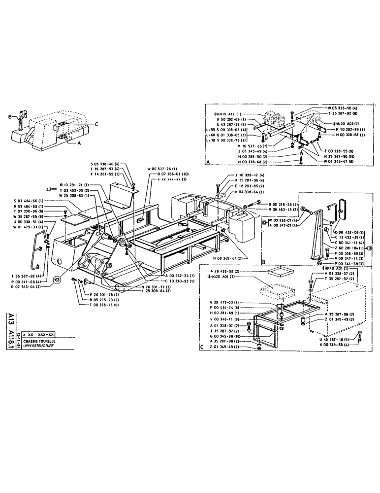
Запчасти Case 220 (018) - UPPERSTRUCTURE (05) - UPPERSTRUCTURE CHASSIS

Схема запчастей Case 220 - (018) - UPPERSTRUCTURE (05) - UPPERSTRUCTURE CHASSIS
FIT
1:1
100%

Артикул

Название

Примечание

Количество

P5028269

SUPPORT

1шт.

P4328733

WASHER

16.5 x 32 x 38

6шт.

P33803

SCREW

/BOLT, M16 x 55

4шт.

P133805

SCREW

/BOLT, M16 x 60

1шт.

P33875

SCREW

/BOLT, M16 x 70

1шт.

P1653765

CROSSBAR

TRAVERSE

1шт.

P134549

SAFETY NUT

4шт.

P28550

BOSS

2шт.

P33868

SCREW

/BOLT, M16 x 80

2шт.

P533850

SCREW

/BOLT, M14 x 90

4шт.

P3528792

WASHER

14.5 x 10 x 35

8шт.

P1028299

CROSSBAR

TRAVERSE

1шт.

P33868

SCREW

/BOLT, M16 x 80

2шт.

P33855

SCREW

/BOLT, M16 x 90

8шт.

P3528790

WASHER

16.5 x 11 x 38

16шт.

P134547

SAFETY NUT

8шт.

P533846

SCREW

/BOLT, M14 x 40

4шт.

P3528792

WASHER

14.5 x 10 x 35

4шт.

P1426159

HOOD

PLATE

1шт.

P1329171

NUT

1шт.

P245335

WASHER

2шт.

P2530963

HEADED PIN

PIN, HEADED

1шт.

P348466

HOOD

PLATE

1шт.

P348465

PLATE

1шт.

P733096

SCREW

/BOLT, M10 x 30

8шт.

P3528795

WASHER

10.25 x 7 x 25

8шт.

P33851

SCREW

/BOLT, M14 x 35

4шт.

P147933

GRAB RAIL

1шт.

P3528792

WASHER

14.5 x 10 x 35

4шт.

P34168

NUT

4шт.

P251304

SEAL

2шт.

P2630178

CAP

COVER

2шт.

P523573

BRAKE

LOCKING

2шт.

P33873

SCREW

/BOLT, M12 x 25

6шт.

P2630177

SHAFT LOCK

2шт.

P2530964

PIN

HEADED

2шт.

P34224

NUT

1шт.

P1033093

SCREW

/BOLT, M20 x 2.5

1шт.

P834544

SAFETY NUT

2шт.

P32638

SCREW

/BOLT, M39 x 500

2шт.

P646315

WASHER

42 x 25 x 110

2шт.

P1033812

SCREW

/BOLT, M20 x 190

4шт.

P3528796

WASHER

21 x 14 x 45

4шт.

P1820385

PLATE,SMALL SQUARE

PLATE

2шт.

P403864

COUNTERWEIGHT

1шт.

P653726

CHASSIS

1шт.

P736601

HINGE

10шт.

86977786

BOLT,Hex, M6 x 1 x 25mm, Cl 8.8

Hex, M6 x 25, 8.8, Full Thd (Germany)

4шт.

P34707

WASHER

(Germany)

4шт.

P843206

MIRROR, ATTACHMENT

MIRROR, (Germany)

1шт.

P1343225

SUPPORT

(Germany)

1шт.

15896221

NUT,Hex, M6, 5.20mm High, Cl 10

(Germany) M6, Cl 10

4шт.

P6028184

SUPPORT

(Germany)

1шт.

P33869

BOLT,Hex, M14 x 30

(Germany) Hex, M14 x 30

3шт.

P34714

WASHER, LOCK

WASHER, (Germany)

3шт.

P34168

NUT

(Germany)

3шт.

P2843858

WINDOW FRAME

FRAME

2шт.

P3947203

NEG BATTERY CABLE

STRIP

1шт.

P41474

STOP

8шт.

P6028169

SUPPORT

1шт.

P34611

WASHER

8шт.

P133837

SCREW

/BOLT, M14 x 80

2шт.

P3528792

WASHER

14.5 x 10 x 35

2шт.

P34598

SAFETY NUT

16шт.

P3528798

WASHER

15.2 x 25 x 34

2шт.

P134549

SAFETY NUT

2шт.

P133837

SCREW

/BOLT, M14 x 80

2шт.

P3528792

WASHER

14.5 x 10 x 35

2шт.

P3528798

WASHER

15.2 x 25 x 34

2шт.

P134549

SAFETY NUT

2шт.

P4528718

WASHER

21 x 40 x 35

4шт.

P33865

SCREW

/BOLT, M20 x 70

4шт.

Выбрано товаров: 72