Запчасти Case 220 (239) - CONTROL PANEL (06) - ELECTRICAL SYSTEMS

Схема запчастей Case 220 - (239) - CONTROL PANEL (06) - ELECTRICAL SYSTEMS
FIT
1:1
100%

Артикул

Название

Примечание

Количество

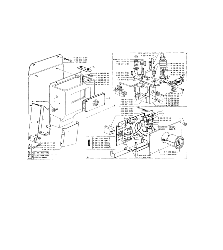
P2741405

GROMMET

2шт.

P1334571

NUT

8шт.

P1334571-Nut. See NITS 994, 3077, 3196, 3262

1шт.

P3528794

WASHER

8.25 x 6 x 20

8шт.

P3528794 Washer. See EEX3001E; NITS 994, 3053, 3216, 3262, 3292, 3299; SAT 94

1шт.

43127

BOLT,Hex, M8 x 1.25 x 25mm, Cl 8.8

BOLT, Hex, M8 x 25, 8.8

8шт.

P33815 Screw/Bolt. See NITS 3077, 3228, 3262, 3263, 3293

1шт.

P2640392

COVER

PLATE

1шт.

P3528794

WASHER

8.25 x 6 x 20

2шт.

P3528794 Washer. See EEX3001E; NITS 994, 3053, 3216, 3262, 3292, 3299; SAT 94

1шт.

43127

BOLT,Hex, M8 x 1.25 x 25mm, Cl 8.8

BOLT, Hex, M8 x 25, 8.8

2шт.

P9528135

SUPPORT

1шт.

P3528799

WASHER

6.25 x 4 x 15

4шт.

15896221

NUT,Hex, M6, 5.20mm High, Cl 10

4шт.

P2640384

INSTRUMENT PANEL

CONTROL PANEL

1шт.

P32529

SCREW,Hex Soc Hd, M4 x 16

/BOLT, M4 x 16

4шт.

P32529-Screw/Bolt. See NITS 3242, 3270, 3271

1шт.

P34603

WASHER

4шт.

P2036924

BUSHING

SLEEVE

4шт.

P41242

FUSE

6.35 x 31.5

1шт.

P41894

CASE

BOX

1шт.

P1343242

CIGAR LIGHTER

1шт.

P32529

SCREW,Hex Soc Hd, M4 x 16

/BOLT, M4 x 16

4шт.

P34603

WASHER

4шт.

P4347573

LARGE PLATE

PLATE

1шт.

P2036924

BUSHING

SLEEVE

4шт.

P34107

NUT

1шт.

P34107 Nut. See NITS 3257, 3270, 3271, 3275, 3291

1шт.

P34703

WASHER

1шт.

P40710

PLATE

SUPPORT

1шт.

P40710 Support. See NITS 3257, 3275.

1шт.

P41227

FUSE

6.35 x 31.5

1шт.

P41894

CASE

BOX

1шт.

P40560

LAMP

BULB

1шт.

P40560 Bulb. See SAT 79.

1шт.

P641648

SIGHTGLASS

WARNING LIGHT

1шт.

P1541654

SWITCH

1шт.

P1541654-Key Switch. See SAT 32

1шт.

P1540490

LIGHT FAIRING

CAP

1шт.

P242406

DEUTZ PART

RESISTANCE

1шт.

P133857

SCREW

/BOLT, M6 x 12

2шт.

P133857-Screw/Bolt. See NIT 3271

1шт.

P34707

WASHER

2шт.

15896221

NUT,Hex, M6, 5.20mm High, Cl 10

2шт.

P4247277

WIRE HARNESS

1шт.

P741419

GROMMET

GUIDE

1шт.

P241140

RELAY

1шт.

P232604

SCREW

/BOLT, M4 x 8

1шт.

P3825633

ANGLE PIECE

1шт.

P32613

SCREW

/BOLT, M4 x 40 x 40

4шт.

P34805

WASHER

4шт.

P34805 Washer. See NITS 3132, 3270, 3271

1шт.

P2036924

BUSHING

SLEEVE

4шт.

P241140

RELAY

1шт.

P841297

FUSE

4шт.

P841296

FUSE

3шт.

P841295

FUSE

1шт.

P841294

FUSE

4шт.

P841294 Fuse 16A. See NIT 3220.

1шт.

P841293

FUSE

2шт.

P641612

BUTTON

PUSH BUTTON

4шт.

P151640

PRINTED CIRCUIT BOAR

1шт.

P1541688

METER

COUNTER

1шт.

P32528

SCREW

/BOLT, M4 x 8

1шт.

P32528 Screw/Bolt. See NITS 3270, 3271

1шт.

Выбрано товаров: 65