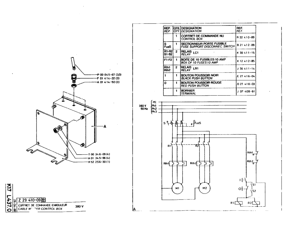
Запчасти Case 220B (K17 L437.0) - CABLE WINDER CONTROL BOX - 380 V (05) - UPPERSTRUCTURE CHASSIS

Схема запчастей Case 220B - (K17 L437.0) - CABLE WINDER CONTROL BOX - 380 V (05) - UPPERSTRUCTURE CHASSIS
a01414-50
d27416-03
j30411-14
x12412-85
p00045-67
b21412-09
a01345-96
k30411-15
e27416-04
z29410-09
f01414-32
j07408-61
h52256-30
t00346-09
r22410-89
FIT
1:1
100%

Артикул

Название

Примечание

Количество

z29410-09

Z2941009

1шт.

No Longer Sold

1шт.

p00045-67

P4567

CABLE

3,0шт.

f01414-32

F141432

GLAND

3шт.

a01414-50

A141450

NUT

3шт.

t00346-09

T34609

WASHER

4шт.

a01345-96

A134596

SAFETY NUT

4шт.

h52256-30

H5225630

SUPPORT

1шт.

r22410-89

R2241089

ELECTRICAL CABINET

BOX control

1шт.

b21412-09

B2141209

SWITCH fuse support disconnec.

1шт.

k30411-15

K3041115

RELAY LC1

2шт.

x12412-85

X1241285

FUSE BOX

10 fuses, 10 amp

1шт.

j30411-14

J3041114

RELAY LR1

2шт.

e2741604

E2741604

PUSH BUTTON

black

1шт.

d27416-03

D2741603

PUSH BUTTON

red

1шт.

j07408-61

J740861

TERMINAL

1шт.

Выбрано товаров: 16