Запчасти Case 75C (A17 A51.0) - UNDERCARRIAGE - 75CL (04) - UNDERCARRIAGE

Схема запчастей Case 75C - (A17 A51.0) - UNDERCARRIAGE - 75CL (04) - UNDERCARRIAGE
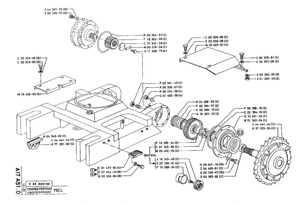
j16345-49
e02304-18
c00326-85
q00338-47
m15403-90
f00304-57
z00350-05
f16289-34
z00350-05
p07454-43
c00338-81
b00326-84
f18393-38
c00398-15
a18393-33
n15403-91
r00374-56
c00326-85
x07330-31
h04543-03
z04460-61
f16289-34
g01460-56
z00350-05
c01301-59
s00285-82
x00338-54
j00347-15
n04298-59
p00341-45
z01345-49
g13461-04
c01479-84
m00228-04
r00304-67
k00328-07
f00398-18
w00453-76
w01543-04
c01345-29
x77281-82
h00347-14
n37393-06
x11338-75
z00350-05
FIT
1:1
100%

Артикул

Название

Примечание

Количество

j00347-15

P34715

WASHER, LOCK

24шт.

x00338-54

P33854

SCREW

/BOLT, M16 x 50

24шт.

z00350-05

P35005

WASHER

8шт.

c00326-85

P32685

SCREW

/BOLT, M14 x 20

8шт.

m15403-90

M1540390

COWL

2шт.

h04543-03

H454303

CHASSIS

1шт.

x77281-82

P7728182

WEB

4шт.

c01479-84

P147984

STEP

FOOTBOARD

4шт.

Part Valid only for Germany

1шт.

Part Valid only for Sweden

1шт.

p07454-43

P745443

WASHER

SPARE PART 15 x 5 x 30

8шт.

Part Valid only for Germany

1шт.

Part Valid only for Sweden

1шт.

b00326-84

P32684

SCREW

8шт.

Part Valid only for Germany

1шт.

Part Valid only for Sweden

1шт.

r00304-67

P30467

O-RING

2,5 x 366

2шт.

f18393-38

P1839338

PINION

2шт.

c01301-59

P130159

WASHER

2шт.

m00228-04

P22804

BRAKE

2шт.

x11338-75

P1133875

SCREW

/BOLT, M10 x 25

4шт.

p00341-45

P34145

NUT

SPARE PART

2шт.

k00328-07

K32807

SCREW

SPARE PART

2шт.

r00374-59

P37459

PLUG

D27 x 1,5

4шт.

g01460-56

P146056

COMPOSITE SEAL

4шт.

f16289-34

P1628934

SPACER

2шт.

c01345-29

P134529

SLOTTED NUT

M100 x 2

2шт.

w00453-76

P45376

SPECIAL WASHER

NUT lock

2шт.

j16345-49

J1634549

NUT

2шт.

Replaces F16289-34, C01345-29 and W00453-73

1шт.

x07330-31

P733031

SCREW

/BOLT, M7 x 14

4шт.

Replaces F16289-34, C01345-29 and W00453-73

1шт.

f16289-34

P1628934

SPACER

2шт.

Replaces F16289-34, C01345-29 and W00453-73

1шт.

c00326-85

P32685

SCREW

/BOLT, M14 x 20

2шт.

z00350-05

P35005

WASHER

2шт.

n15403-91

N1540391

COWL

SPARE PART

1шт.

n04298-59

P429859

BUSHING

2шт.

f00304-57

P30457

O-RING

2шт.

c00398-15

P39815

SPARE PART

2шт.

a18393-33

P1839333

SPARE PART

2шт.

h00347-14

P34714

WASHER, LOCK

16шт.

z04460-61

P446061

SEAL

2шт.

q00338-47

P33847

SCREW

/BOLT, M14 x 45

16шт.

s00285-82

P28582

SPACER

2шт.

c00338-61

P33881

SCREW

/BOLT, M14 x 60

2шт.

z00350-05

P35005

WASHER

2шт.

z01345-49

P134549

SAFETY NUT

2шт.

f00398-18

P39818

SPARE PART

2шт.

e02304-18

P230418

O-RING

2шт.

g13461-04

G1346104

SUPPORT

SPARE PART

2шт.

w01543-04

P154304

SPARE PART

2шт.

n37393-06

N3739306

WHEEL

2шт.

Выбрано товаров: 53