Запчасти Case 90BCL (054) - OIL COOLER AND TANK (05) - UPPERSTRUCTURE CHASSIS

Схема запчастей Case 90BCL - (054) - OIL COOLER AND TANK (05) - UPPERSTRUCTURE CHASSIS
FIT
1:1
100%

Артикул

Название

Примечание

Количество

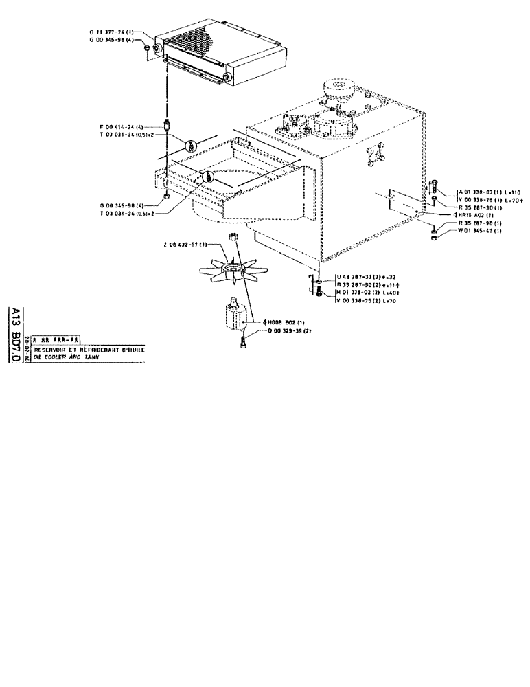
G1137724

COOLER ASSY.

1шт.

G34598

SAFETY NUT

4шт.

F41474

DAMPER,40mm OD x 78mm L

4шт.

T303134

GASKET

0.5 x 2

1шт.

G34598

SAFETY NUT

4шт.

T303134

GASKET

0.5 x 2

1шт.

Z643217

FAN

1шт.

HG08B02

1шт.

864-10090

HEX SOC SCREW,M10 x 90mm, Cl 8.8

2шт.

U4328733

WASHER

e=32

2шт.

R3528790

WASHER

e=11

2шт.

43168

BOLT,Hex, M16 x 40mm, Cl 8.8

2шт.

120092

BOLT,M16 x 70mm, Cl 8.8

2шт.

A133883

SCREW

L=110

1шт.

120092

BOLT,M16 x 70mm, Cl 8.8

1шт.

R3528790

WASHER

1шт.

HR15A03

1шт.

R3528790

WASHER

1шт.

W134547

SAFETY NUT

1шт.

Выбрано товаров: 19