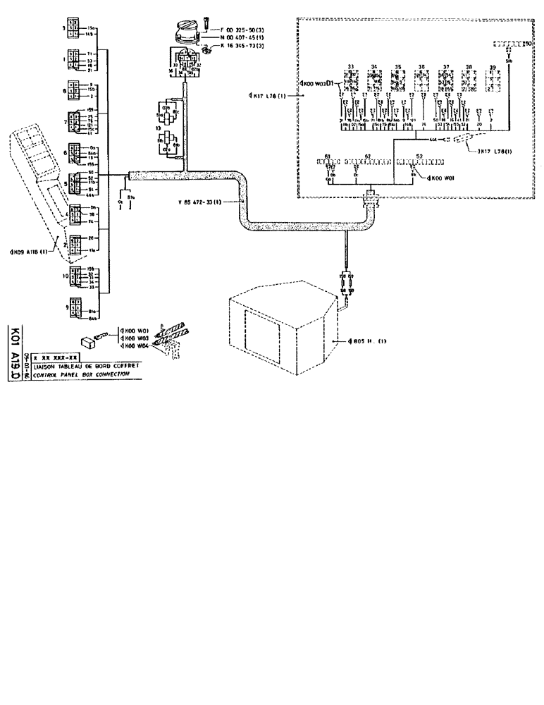
Запчасти Case 90BCL (316) - CONTROL PANEL BOX CONNECTION (06) - ELECTRICAL SYSTEMS

Схема запчастей Case 90BCL - (316) - CONTROL PANEL BOX CONNECTION (06) - ELECTRICAL SYSTEMS
FIT
1:1
100%

Артикул

Название

Примечание

Количество

KW01

1шт.

KW03

1шт.

KW04

1шт.

K9A116

1шт.

F32550

SCREW,M6 x 30mm

3шт.

N40745

PEDESTAL

1шт.

K1634573

NUT

3шт.

V8547233

HARNESS

1шт.

B5H

1шт.

K17L78

1шт.

d1

KW03

1шт.

KW01

1шт.

K17L78

1шт.

Выбрано товаров: 13