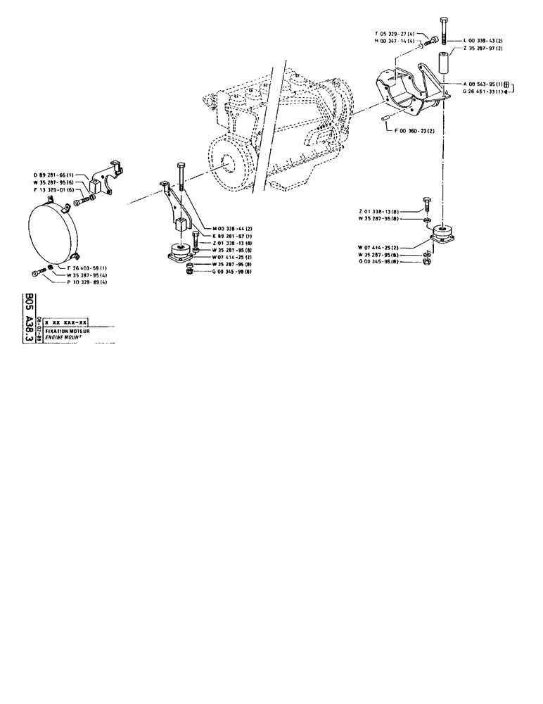
Запчасти Case 90BCL (105) - ENGINE MOUNTING (01) - ENGINE

Схема запчастей Case 90BCL - (105) - ENGINE MOUNTING (01) - ENGINE
FIT
1:1
100%

Артикул

Название

Примечание

Количество

D8928166

SUPPORT

1шт.

W3528795

WASHER

6шт.

14420331

HEX SOC SCREW,M10 x 1.5 x 35mm, Cl 10.9, Full Thd

6шт.

F2640359

PROTECTOR

1шт.

W3528795

WASHER

4шт.

P1032989

SCREW

4шт.

86508581

BOLT,Hex, M12 x 90mm, Cl 8.8

2шт.

E8928167

SUPPORT

1шт.

120069

BOLT,M10 x 1.5 x 56.58mm OAL, Cl 8.8

8шт.

W3528795

WASHER

8шт.

W741425

RUBBER MOUNTING,92mm OD x 50mm L

2шт.

W3528795

WASHER

8шт.

G34598

SAFETY NUT

8шт.

T532927

SCREW

4шт.

H34714

WASHER

4шт.

F36023

SPLIT PIN/SAFETY PIN

2шт.

120069

BOLT,M10 x 1.5 x 56.58mm OAL, Cl 8.8

8шт.

W3528795

WASHER

8шт.

W741425

RUBBER MOUNTING,92mm OD x 50mm L

2шт.

W3528795

WASHER

8шт.

G34598

SAFETY NUT

8шт.

9706717

BOLT,Hex, M12 x 1.75 x 70mm, Cl 8.8

2шт.

Z3528797

WASHER

2шт.

A54395

CROSSBAR

1шт.

G2646133

CROSSBAR

1шт.

Выбрано товаров: 25