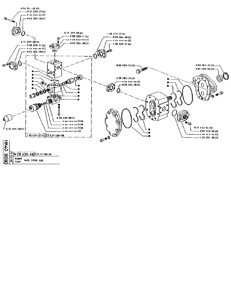
Запчасти Case 90BCL (258) - PUMP 1M15 FPOR 40K (07) - HYDRAULIC SYSTEM

Схема запчастей Case 90BCL - (258) - PUMP 1M15 FPOR 40K (07) - HYDRAULIC SYSTEM
FIT
1:1
100%

Артикул

Название

Примечание

Количество

S2340450

LIGHT FAIRING

1шт.

H5137701

SHIN

1шт.

N1232927

SCREW

SPARE PART

4шт.

XXXXXXXX

1шт.

N330430

O-RING,0.103" Thk x 0.862" ID, -118, Cl 6, 90 Duro

1шт.

K1737705

SHIN

SPARE PART

1шт.

86531615

HEX SOC SCREW,M6 x 20mm, Cl 8.8

4шт.

XXXXXXXX

1шт.

N330430

O-RING,0.103" Thk x 0.862" ID, -118, Cl 6, 90 Duro

1шт.

J2643697

VALVE

1шт.

X3749688

SEAL PACKAGE

SPARE PART

1шт.

K1737705

SHIN

SPARE PART

1шт.

86531615

HEX SOC SCREW,M6 x 20mm, Cl 8.8

4шт.

XXXXXXXX

1шт.

N330430

O-RING,0.103" Thk x 0.862" ID, -118, Cl 6, 90 Duro

1шт.

K2643698

SOLENOID VALVE

1шт.

XXXXXXXX

1шт.

XXXXXXXX

1шт.

XXXXXXXX

1шт.

XXXXXXXX

1шт.

J1837777

SHIN

1шт.

N330430

O-RING,0.103" Thk x 0.862" ID, -118, Cl 6, 90 Duro

1шт.

XXXXXXXX

1шт.

86531615

HEX SOC SCREW,M6 x 20mm, Cl 8.8

4шт.

9706702

BOLT,Hex, M12 x 1.75 x 50mm, Cl 8.8

2шт.

A5628215

LARGE PLATE

SPARE PART

1шт.

XXXXXXXX

1шт.

N330430

O-RING,0.103" Thk x 0.862" ID, -118, Cl 6, 90 Duro

1шт.

NLS

NO LONGER SERVICED

RING SNAP

1шт.

A6146083

BEARING

1шт.

N1144354

SHIN

1шт.

Q732909

BOLT,Hex, M8 x 25, 8.8

4шт.

XXXXXXXX

1шт.

L1530499

O-RING

1шт.

V3749686

KIT

1шт.

Выбрано товаров: 35