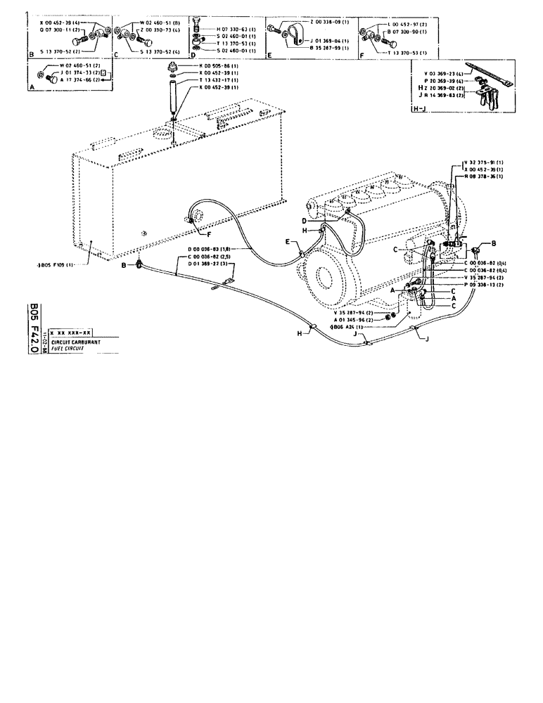
Запчасти Case 90BCL (111) - FUEL CIRCUIT (02) - FUEL SYSTEM

Схема запчастей Case 90BCL - (111) - FUEL CIRCUIT (02) - FUEL SYSTEM
FIT
1:1
100%

Артикул

Название

Примечание

Количество

W246051

GASKET

2шт.

J137433

PLUG

2шт.

A1737466

PLUG

2шт.

X45239

SEAL

4шт.

Q730011

BANJO BOLT

2шт.

S1337052

FITTING

2шт.

W246051

GASKET

8шт.

Z33073

BANJO BOLT

4шт.

S1337052

FITTING

4шт.

H733063

BANJO BOLT

1шт.

S246001

COPPER SEAL

1шт.

T1337053

FITTING

1шт.

S246001

COPPER SEAL

1шт.

120100

BOLT,M6 x 20mm, Cl 8.8

1шт.

J136904

CLAMP

1шт.

B3528799

WASHER

1шт.

L45297

WASHER, SEALING

SEAL WASHER

2шт.

B730090

BANJO BOLT

1шт.

T1337053

FITTING

1шт.

V336923

CLAMP

4шт.

PP2036939

CLASP

4шт.

h

Z2036902

CLASP

2шт.

j

R1436963

CLASP

2шт.

B5F109

1шт.

K50586

BREATHER

1шт.

X45239

SEAL

1шт.

T1343217

TUBE

1шт.

X45239

SEAL

1шт.

D3683

TUBE

1шт.

D3683

TUBE

6шт.

C3682

TUBE

2шт.

C3682

TUBE

5шт.

PD136922

COLLAR

3шт.

V3528794

WASHER

2шт.

A134596

SAFETY NUT

2шт.

B6A24

1шт.

V3237591

FITTING

1шт.

X45239

SEAL

1шт.

R837836

COCK

1шт.

C3682

TUBE

1шт.

C3682

TUBE

4шт.

C3682

TUBE

1шт.

C3682

TUBE

4шт.

V3528794

WASHER

2шт.

386045

BOLT,Hex, M8 x 1.25 x 45mm, Cl 8.8

2шт.

Выбрано товаров: 45