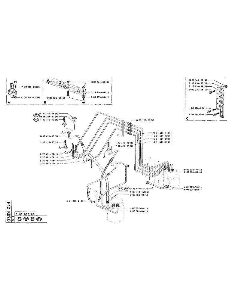
Запчасти Case 90CL (072) - NO DESCRIPTION PROVIDED (07) - HYDRAULIC SYSTEM

Схема запчастей Case 90CL - (072) - NO DESCRIPTION PROVIDED (07) - HYDRAULIC SYSTEM
FIT
1:1
100%

Артикул

Название

Примечание

Количество

W1232958

BOLT,M8 x 45mm, Cl 10.9

24шт.

P34113

NUT

24шт.

P32657

SCREW

M10 x 60

6шт.

P1224246

SHIN

1шт.

P1627863

BLANK-OFF PLUG

1шт.

P1331970

HOSE

1шт.

P3647168

1шт.

P1331970

HOSE

4шт.

P2049177

1шт.

P2049179

1шт.

P2049178

1шт.

P2049176

1шт.

P131921

HOSE

1шт.

100016

NUT,M10 x 1.5, Cl 8

6шт.

P1723488

2шт.

P828506

WASHER

11 x 8 x 20

2шт.

P1331970

HOSE

1шт.

P3647169

PIPE

1шт.

P3347641

1шт.

P31814

1шт.

P36998

COLLAR CLAMP

4шт.

P50102

1шт.

P50104

1шт.

P37550

UNION

4шт.

P3149111

1шт.

P3149110

1шт.

P3149109

1шт.

P3149112

1шт.

P37571

UNION

4шт.

P30405

O-RING

2.62 x 32.99-80

4шт.

P137559

UNION

1шт.

P30450

O-RING,3mm Thk x 36mm ID

3 x 36

1шт.

100016

NUT,M10 x 1.5, Cl 8

4шт.

P1723487

1шт.

P1723486

1шт.

325829

BOLT,Hex, M10 x 1.5 x 45mm, Cl 8.8

4шт.

P32667

SCREW

1шт.

P28358

SCREW

2шт.

Выбрано товаров: 38