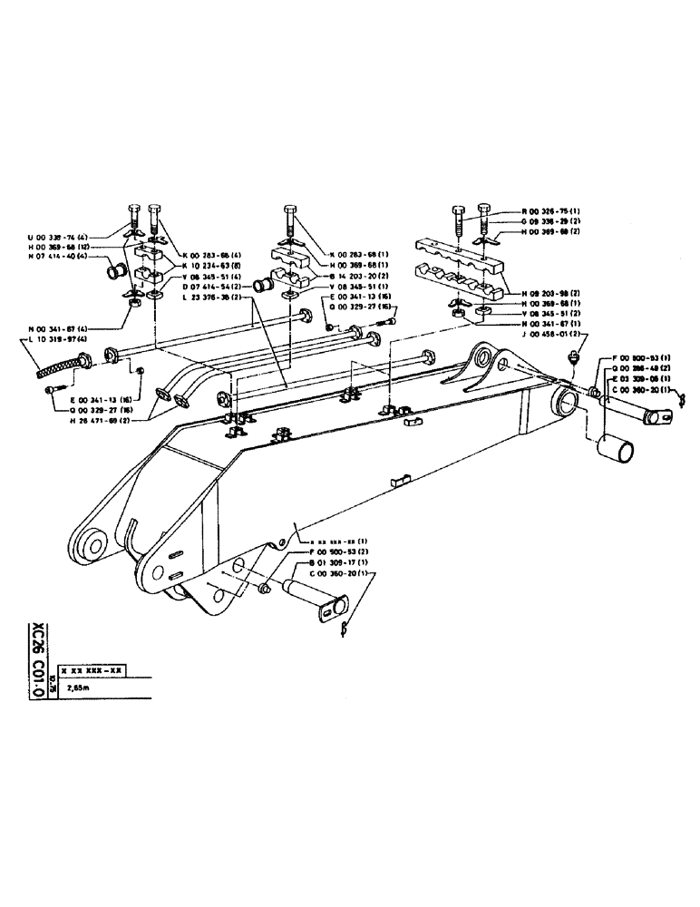
Запчасти Case 90CL (147) - No Description Provided (09) - BOOMS

Схема запчастей Case 90CL - (147) - No Description Provided (09) - BOOMS
FIT
1:1
100%

Артикул

Название

Примечание

Количество

P33874

SCREW

M12 x 60

4шт.

P36968

BRAKE

locking

12шт.

P741440

BUSHING

4шт.

337475

NUT,M12, Cl 10

4шт.

P1031997

HOSE

4шт.

P34113

NUT

16шт.

P32927

SCREW

M8 x 50

16шт.

P2647169

PIPE

2шт.

P28368

SCREW

4шт.

P1023463

SHIN

8шт.

100016

NUT,M10 x 1.5, Cl 8

4шт.

P741454

BUSHING

2шт.

P2337638

2шт.

P28368

SCREW

1шт.

P36968

BRAKE

locking

1шт.

P1420320

SHIN

2шт.

100016

NUT,M10 x 1.5, Cl 8

1шт.

P34113

NUT

16шт.

P32927

SCREW

M8 x 50

16шт.

P50053

SHAFT LOCK

2шт.

P130917

LARGE PIN

1шт.

P36020

SPLIT PIN/SAFETY PIN

1шт.

P32675

SCREW

1шт.

P933829

SCREW

M12 x 1.75 x 85

2шт.

P36968

BRAKE

locking

2шт.

P920398

SHIN

2шт.

P36968

BRAKE

locking

1шт.

100016

NUT,M10 x 1.5, Cl 8

2шт.

337475

NUT,M12, Cl 10

1шт.

J45801

LUBE NIPPLE,M8 x 1.25

2шт.

P50053

SHAFT LOCK

1шт.

P28649

BRONZE BUSHING

1шт.

P28649

BRONZE BUSHING

2шт.

P330905

HEADED PIN

PIN, HEADED

1шт.

P36020

SPLIT PIN/SAFETY PIN

1шт.

Выбрано товаров: 35