Запчасти Case 90CL (036) - NO DESCRIPTION PROVIDED (01) - ENGINE

Схема запчастей Case 90CL - (036) - NO DESCRIPTION PROVIDED (01) - ENGINE
FIT
1:1
100%

Артикул

Название

Примечание

Количество

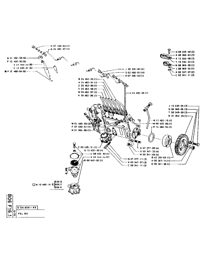
P2146259

DEUTZ PART

SLEEVE

6шт.

P1243293

DEUTZ PART

6шт.

P1243221

DEUTZ PART

6шт.

P1246084

GASKET

6шт.

P2449202

1шт.

P2449201

DEUTZ PART

.

1шт.

P2049299

1шт.

P2049297

1шт.

P2049296

1шт.

P146093

WASHER, SEALING

2шт.

P733061

DEUTZ PART

VALVE

1шт.

P130486

O-RING

1шт.

P943531

PUMP

1шт.

P1243202

DEUTZ PART

SET

1шт.

P843282

DEUTZ PART

RESTRICTOR

1шт.

P44382

DEUTZ PART

BODY

1шт.

P33082

BOLT

SCREW female

4шт.

P246001

COPPER SEAL

8.2 x 11.4

14шт.

P733063

BOLT

SCREW female

1шт.

P2449209

1шт.

P1349215

PIPELINE

1шт.

P943586

1шт.

P1446094

SEAL

1шт.

P727789

STUD

4шт.

P34733

DEUTZ PART

WASHER

4шт.

100016

NUT,M10 x 1.5, Cl 8

4шт.

P727711

3шт.

P34707

WASHER

3шт.

15896221

NUT,Hex, M6, 5.20mm High, Cl 10

3шт.

P933858

SCREW

M6 x 12

2шт.

P836962

DEUTZ PART

7шт.

P1226358

1шт.

P1523422

1шт.

P836959

DEUTZ PART

1шт.

P836955

DEUTZ PART

1шт.

P34707

WASHER

2шт.

15896221

NUT,Hex, M6, 5.20mm High, Cl 10

2шт.

P1553004

3шт.

P34966

DEUTZ PART

WASHER spring

3шт.

P34609

WASHER

3шт.

P2139326

DEUTZ PART

PINION

1шт.

P4330165

DEUTZ PART

HUB

1шт.

P34714

WASHER, LOCK

1шт.

P34158

DEUTZ PART

NUT, M14 x 1.5

1шт.

Выбрано товаров: 44