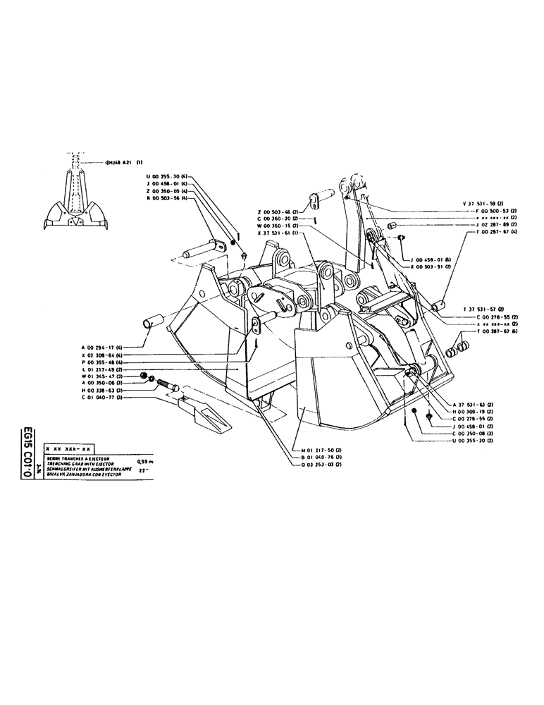
Запчасти Case GC120 (255) - TRENCHING GRAB WITH EJECTOR

Схема запчастей Case GC120 - (255) - TRENCHING GRAB WITH EJECTOR
FIT
1:1
100%

Артикул

Название

Примечание

Количество

HJ48A21

1шт.

A00294-17

BUSHING, 40 x 50 x 70

4шт.

X02309-64

PIN

4шт.

P00355-48

SPLIT PIN, 6 x 70

4шт.

L01217-49

REINFORCEMENT

2шт.

W01345-47

SAFETY NUT

3шт.

A00350-06

WASHER

3шт.

H00338-63

SCREW/BOLT, M16 x 75

3шт.

C01040-77

TOOTH

3шт.

U00355-30

SPLIT PIN, 4 x 35

4шт.

J00458-01

GREASE NIPPLE, M8 x 1.25

4шт.

Z00350-05

WASHER

4шт.

K00503-56

PIN

4шт.

Z00503-46

PIN

2шт.

C00360-20

SPLIT PIN/SAFET

2шт.

W00360-15

SPLIT PIN/SAFET

2шт.

X37531-61

YOKE

1шт.

M01217-50

REINFORCEMENT

2шт.

B01040-76

BOX

3шт.

Q03253-03

2шт.

J00458-01

GREASE NIPPLE, M8 x 1.25

6шт.

X00503-91

PIN

2шт.

V37531-59

ARM

2шт.

F00500-53

SHAFT LOCK

2шт.

J02287-89

BUSHING, 16 x 25 x 35

2шт.

T00287-67

BUSHING, 40 x 55 x 45

4шт.

T37531-57

CONNECTING ROD

2шт.

C00278-55

SHAFT LOCK

2шт.

T00287-67

BUSHING, 40 x 55 x 45

4шт.

A37531-63

EJECTOR

2шт.

H00309-19

PIN

2шт.

C00278-55

SHAFT LOCK

2шт.

J00458-01

GREASE NIPPLE, M8 x 1.25

2шт.

C00350-08

WASHER

2шт.

U00355-30

SPLIT PIN, 4 x 35

2шт.

Выбрано товаров: 0