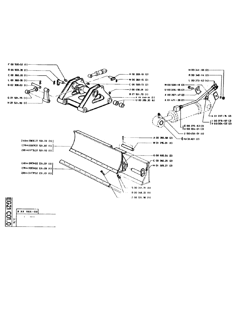
Запчасти Case GC120 (264) - No Description Provided

Схема запчастей Case GC120 - (264) - No Description Provided
FIT
1:1
100%

Артикул

Название

Примечание

Количество

F00500-53

SHAFT LOCK

1шт.

R00503-39

1шт.

C00360-20

SPLIT PIN/SAFET

1шт.

L00360-05

1шт.

G02309-03

1шт.

G27531-75

1шт.

H27531-99

1шт.

C27531-72

1шт.

F27531-97

1шт.

S37531-10

1шт.

H02231-07

1шт.

K02231-09

1шт.

P02231-13

1шт.

H00309-19

PIN

2шт.

W00360-15

SPLIT PIN/SAFET

2шт.

C00500-73

SHAFT LOCK

2шт.

J00458-01

GREASE NIPPLE, M8 x 1.25

4шт.

B27531-70

1шт.

U00286-30

4шт.

S00341-71

NUT

11шт.

B00348-23

11шт.

Z00324-98

11шт.

A00355-58

SPLIT PIN, 8 x 100

2шт.

W01276-01

1шт.

G00500-54

SHAFT LOCK

2шт.

C00360-20

SPLIT PIN/SAFET

2шт.

M01309-27

PIN

2шт.

M00528-19

2шт.

U00326-55

SCREW/BOLT, M10 x 45

2шт.

X00267-47

PIPE CLAMP

2шт.

X01471-29

2шт.

E00375-63

UNION

2шт.

U00304-01

2шт.

J00458-01

GREASE NIPPLE, M8 x 1.25

4шт.

HJ33A01

2шт.

M00341-66

NUT

2шт.

R00348-14

WASHER

2шт.

L00373-62

UNION, DN17 x 10

4шт.

A01227-74

2шт.

J00375-67

UNION

2шт.

V00304-02

2шт.

Выбрано товаров: 41