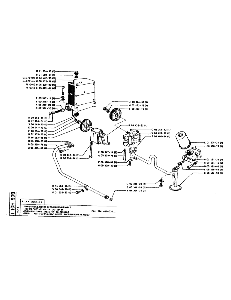
Запчасти Case GC120 (028) - LUBE OIL PUMP, OIL FILTER, OIL COOLER

Схема запчастей Case GC120 - (028) - LUBE OIL PUMP, OIL FILTER, OIL COOLER
FIT
1:1
100%

Артикул

Название

Примечание

Количество

R01374-17

1шт.

B01460-97

COPPER SEAL, 22 x 27

1шт.

D13432-95

1шт.

W08432-46

1шт.

B05329-80

4шт.

C05329-81

4шт.

E00347-11

WASHER

4шт.

V00346-11

WASHER

4шт.

K08289-06

SEAT

1шт.

Q07381-30

1шт.

K00362-11

1шт.

G17288-01

1шт.

S00349-30

SPRING WASHER

2шт.

E00341-13

NUT

2шт.

F10374-66

1шт.

M02453-75

1шт.

G18393-85

1шт.

U06460-65

1шт.

K09338-78

SCREW/BOLT, M8 x 30

2шт.

Q06305-36

1шт.

E00347-34

WASHER

2шт.

Q00338-24

SCREW/BOLT, M10 x 100

2шт.

B14369-26

1шт.

S00349-30

SPRING WASHER

1шт.

D01338-63

SCREW/BOLT, M8 x 18

1шт.

J10374-69

1шт.

M02453-75

1шт.

T09393-14

1шт.

K05435-22

1шт.

C02361-43

KEY

1шт.

V05435-32

1шт.

T06460-64

1шт.

E00347-11

WASHER

2шт.

A05329-79

2шт.

P06460-83

1шт.

H00329-20

SCREW/BOLT, M8 x 16

2шт.

L03236-20

2шт.

S00338-26

SCREW/BOLT, M10 x 20

2шт.

V01304-75

1шт.

K01505-21

1шт.

J06460-78

1шт.

N07461-32

1шт.

H07454-14

WASHER

4шт.

D05329-82

2шт.

E05329-83

SCREW/BOLT, M8 x 25

2шт.

B08432-50

1шт.

Выбрано товаров: 46