Запчасти Case GCK120 (011) - ENGINE

Схема запчастей Case GCK120 - (011) - ENGINE
FIT
1:1
100%

Артикул

Название

Примечание

Количество

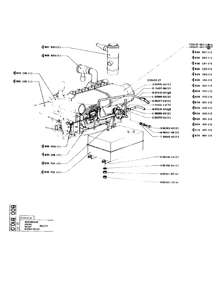
B07B01

1шт.

B05B04

1шт.

B05C06

1шт.

B05G05

1шт.

B05D08

1шт.

B05A06

1шт.

B05F04

1шт.

B05F82

1шт.

C02432-27

1шт.

Z03375-24

1шт.

E15427-06

1шт.

B07319-07

1шт.

L00369-02

CLAMP COLLAR

2шт.

G05377-23

END FITTING

1шт.

B07319-07

1шт.

L00369-02

CLAMP COLLAR

2шт.

Z03375-24

1шт.

D00283-62

2шт.

M00341-66

NUT

2шт.

T00345-63

NUT

2шт.

E00248-44

2шт.

X00350-04

WASHER

4шт.

N00341-67

NUT

4шт.

N00342-13

NUT

4шт.

T03437-06

1шт.

J03437-43

1шт.

B06D01

1шт.

B06D02

1шт.

B06C01

1шт.

B06C02

1шт.

B06C03

1шт.

B06C04

1шт.

B06E01

1шт.

B06F01

1шт.

B06F02

1шт.

B06G01

1шт.

B06G02

1шт.

B06G03

1шт.

B06H01

1шт.

B06K01

1шт.

K16A01

1шт.

B05B81

1шт.

Выбрано товаров: 42