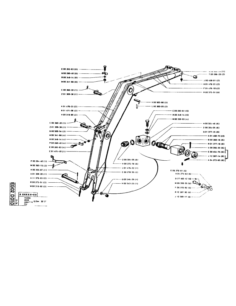
Запчасти Case GCK120 (220) - BOOM

Схема запчастей Case GCK120 - (220) - BOOM
FIT
1:1
100%

Артикул

Название

Примечание

Количество

E00283-63

SCREW/BOLT, M10 x 50

8шт.

N00260-48

8шт.

R00348-14

WASHER

8шт.

M00341-66

NUT

8шт.

C00360-20

SPLIT PIN/SAFET

1шт.

Z01309-38

1шт.

K01476-23

2шт.

B01471-09

2шт.

V00319-89

HOSE

2шт.

C00360-20

SPLIT PIN/SAFET

1шт.

Z01309-38

1шт.

G00500-54

SHAFT LOCK

2шт.

M00341-66

NUT

4шт.

R00348-14

WASHER

4шт.

P00260-49

PIPE CLAMP

4шт.

E00283-63

SCREW/BOLT, M10 x 50

4шт.

C01471-10

1шт.

P00264-40

1шт.

W00360-15

SPLIT PIN/SAFET

2шт.

K00355-67

SPLIT PIN, 10 x 130

1шт.

A01309-39

1шт.

A11376-03

2шт.

R00375-51

2шт.

W00319-90

2шт.

Z00304-05

SEAL, 2.62 x 32.99-80

6шт.

V00375-78

UNION

6шт.

J01476-22

1шт.

C00278-55

SHAFT LOCK

2шт.

Q00346-29

WASHER

1шт.

H00343-23

NUT

1шт.

V00503-66

2шт.

L00360-05

2шт.

C00283-61

SCREW/BOLT, M10 x 30

12шт.

R00348-14

WASHER

12шт.

W00350-03

WASHER

4шт.

E06370-81

CONNECTION

6шт.

A04273-63

PIN

6шт.

D27460-42

LININGS, 32 x 42

12шт.

M06308-55

6шт.

F06370-82

BODY

6шт.

R12287-90

SAFETY SET COLL

6шт.

J10369-17

SPRING WASHER

6шт.

T00286-29

2шт.

J00458-01

GREASE NIPPLE, M8 x 1.25

2шт.

H01476-21

2шт.

F01476-19

2шт.

R00375-51

UNION

8шт.

H00504-46

6шт.

Z00304-05

SEAL, 2.62 x 32.99-80

6шт.

Q01377-15

CONNECTION

6шт.

A01460-73

SEAL

12шт.

B00300-16

PIN

6шт.

R01377-16

CONNECTION

6шт.

X00355-33

SPLIT PIN, 4 x 70

6шт.

E000454-75

6шт.

J12287-14

BUSHING

6шт.

A04273-63

PIN

6шт.

Выбрано товаров: 57