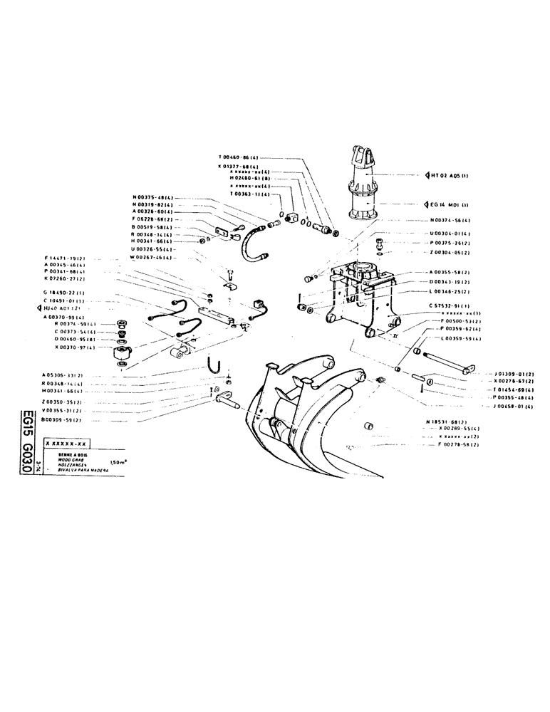
Запчасти Case GCK120 (261) - WOOD GRAB

Схема запчастей Case GCK120 - (261) - WOOD GRAB
FIT
1:1
100%

Артикул

Название

Примечание

Количество

F14471-19

PIPE, 11 x 17

2шт.

A00345-46

NUT

4шт.

P00341-68

NUT

4шт.

K07260-27

BRACKET

2шт.

G18490-22

PIPE, 11 x 17

1шт.

C10491-01

PIPE, 11 x 17

1шт.

HJ40A01

2шт.

A00370-99

4шт.

R00374-59

PLUG, D27 x 1.5

4шт.

C00373-54

END FITTING

4шт.

D00460-95

BUSHING

8шт.

X00370-97

CONNECTION

4шт.

A05306-33

2шт.

R00348-14

WASHER

4шт.

M00341-66

NUT

4шт.

Z00350-05

WASHER

2шт.

V00355-31

SPLIT PIN, 4 x 40

2шт.

B00309-59

PIN

2шт.

N00375-48

PIPE, 11 x 17

4шт.

N00319-82

HOSE

4шт.

A00326-60

SCREW/BOLT, M10 x 25

4шт.

F06228-68

PLATE

2шт.

B00519-58

COLLAR

4шт.

R00348-14

WASHER

4шт.

H00341-66

4шт.

U00326-55

SCREW/BOLT, M10 x 45

4шт.

W00267-46

PIPE CLAMP

4шт.

T00460-86

BUSHING

4шт.

X01377-68

CONNECTION

4шт.

H02460-61

8шт.

T00363-11

LOCKING RING

4шт.

HT02A05

1шт.

EG14M01

1шт.

N00374-56

PLUG

4шт.

U00304-01

4шт.

P00375-26

CONNECTION

2шт.

Z00304-05

SEAL, 2.62 x 32.99-80

2шт.

A00355-58

SPLIT PIN, 8 x 100

2шт.

D00343-19

NUT

2шт.

L00346-25

WASHER

2шт.

C57532-91

FRAME

1шт.

F00500-53

SHAFT LOCK

2шт.

P00359-62

BUSHING, 40 x 50 x 35

4шт.

L00359-59

BUSHING, 55 x 70 x 35

4шт.

J01309-01

PIN

2шт.

X00276-67

PIN

2шт.

T01454-69

WASHER, 41 x 75 x 5

4шт.

P00355-48

SPLIT PIN, 6 x 70

4шт.

J00458-01

GREASE NIPPLE, M8 x 1.25

4шт.

N18531-68

SHELL

2шт.

X00289-55

BUSHING, 55 x 75 x 65

4шт.

F00278-58

SHAFT LOCK

2шт.

Выбрано товаров: 52