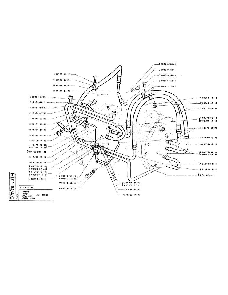
Запчасти Case GCK120 (071) - WINCH

Схема запчастей Case GCK120 - (071) - WINCH
FIT
1:1
100%

Артикул

Название

Примечание

Количество

U00350-01

WASHER

1шт.

F00519-62

1шт.

R00319-39

HOSE

1шт.

X04471-64

1шт.

E00283-63

SCREW/BOLT, M10 x 50

1шт.

D12490-18

1шт.

K00267-58

1шт.

C12490-17

1шт.

T00375-53

UNION

1шт.

W04471-63

1шт.

H01227-81

1шт.

M00341-66

NUT

1шт.

R00348-14

WASHER

1шт.

L00375-92

UNION

2шт.

R00304-44

2.5 x 15

2шт.

HN53D01

1шт.

B12490-16

1шт.

G08376-89

1шт.

E00375-86

4шт.

V00304-02

4шт.

F01375-45

1шт.

U00304-01

1шт.

J00372-22

1шт.

L00375-92

UNION

2шт.

R00304-44

2.5 x 15

2шт.

P00326-50

SCREW/BOLT, M8 x 20

4шт.

P00348-12

WASHER

4шт.

E00375-86

1шт.

V00304-02

1шт.

F00433-60

1шт.

Q05262-54

1шт.

T00348-16

WASHER

4шт.

D00338-36

SCREW/BOLT, M12 x 20

4шт.

C00326-85

SCREW/BOLT, M14 x 20

1шт.

Z00370-75

ELBOW-CONNECTION

1шт.

L00519-21

COLLAR

2шт.

V00348-18

WASHER

1шт.

P00341-68

NUT

1шт.

Z00319-92

2шт.

L00375-92

UNION

1шт.

R00304-44

2.5 x 15

1шт.

F08376-88

2шт.

E01491-82

1шт.

G08376-89

1шт.

E00375-86

3шт.

V00304-02

3шт.

V04471-62

1шт.

F01491-83

1шт.

HD11B05

1шт.

Выбрано товаров: 49