Запчасти Case GCK120 (078) - CYLINDER COMPLETE

Схема запчастей Case GCK120 - (078) - CYLINDER COMPLETE
FIT
1:1
100%

Артикул

Название

Примечание

Количество

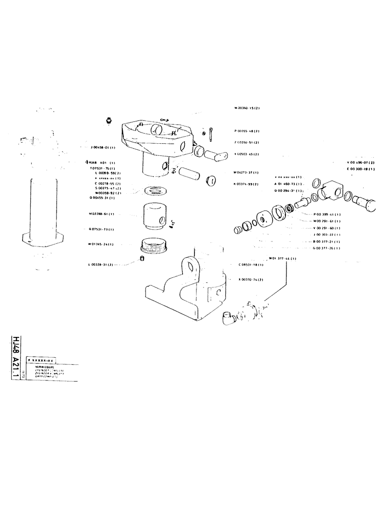
J00458-01

GREASE NIPPLE, M8 x 1.25

1шт.

HJ48A01

1шт.

T07531-75

PIVOT

1шт.

L00359-59

BUSHING, 55 x 70 x 35

2шт.

C00278-55

SHAFT LOCK

2шт.

S00275-47

PIN

2шт.

W00359-92

BUSHING, 55 x 72 x 28

2шт.

Q00455-31

WASHER

1шт.

M02288-61

BUSHING

1шт.

R07531-73

PROTECTOR

1шт.

W01345-24

NUT

1шт.

L00328-31

SCREW/BOLT, M10 x 18

2шт.

W00360-15

SPLIT PIN/SAFET

2шт.

P00355-48

SPLIT PIN, 6 x 70

2шт.

Z00350-51

WASHER

2шт.

X00503-45

PIN

2шт.

W04273-37

PIN

1шт.

K00374-99

PLUG

2шт.

A01460-73

SEAL

1шт.

Q00294-31

END FITTING

1шт.

P00399-41

BALL THRUST BEA

1шт.

W00291-61

NUT, M56 x 1.5

1шт.

V00291-60

NUT

1шт.

J00303-22

SEAL, 3.6 x 29.3

1шт.

B00377-21

NUT, M36 x 1.5

1шт.

G00377-26

BUSHING

1шт.

W01377-44

CONNECTION

1шт.

C08531-18

PROTECTOR

1шт.

X00370-74

ELBOW-CONNECTION

2шт.

V00496-07

BUSHING

2шт.

E00300-19

FEMALE SCREW

1шт.

Выбрано товаров: 31