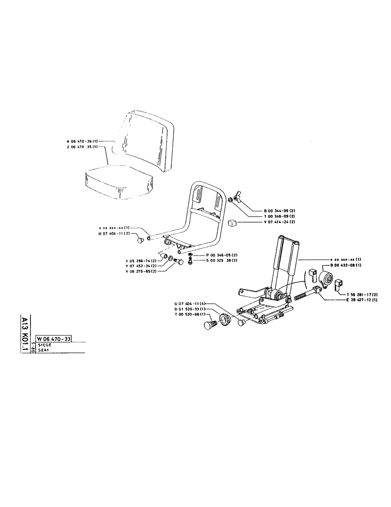
Запчасти Case LC80 (011) - SEAT

Схема запчастей Case LC80 - (011) - SEAT
FIT
1:1
100%

Артикул

Название

Примечание

Количество

P647036

BACKREST

1шт.

P647035

1шт.

P740411

2шт.

P528674

2шт.

P745334

2шт.

P627965

2шт.

P34605

WASHER

2шт.

P32538

SCREW

/BOLT, M5 x 16

2шт.

P740411

4шт.

P152033

1шт.

P52066

1шт.

P34409

NUT, WING

WING NUT

2шт.

P34609

WASHER

2шт.

P741424

2шт.

P943208

SPINDLE

1шт.

P5628117

2шт.

P2842712

1шт.

Выбрано товаров: 17