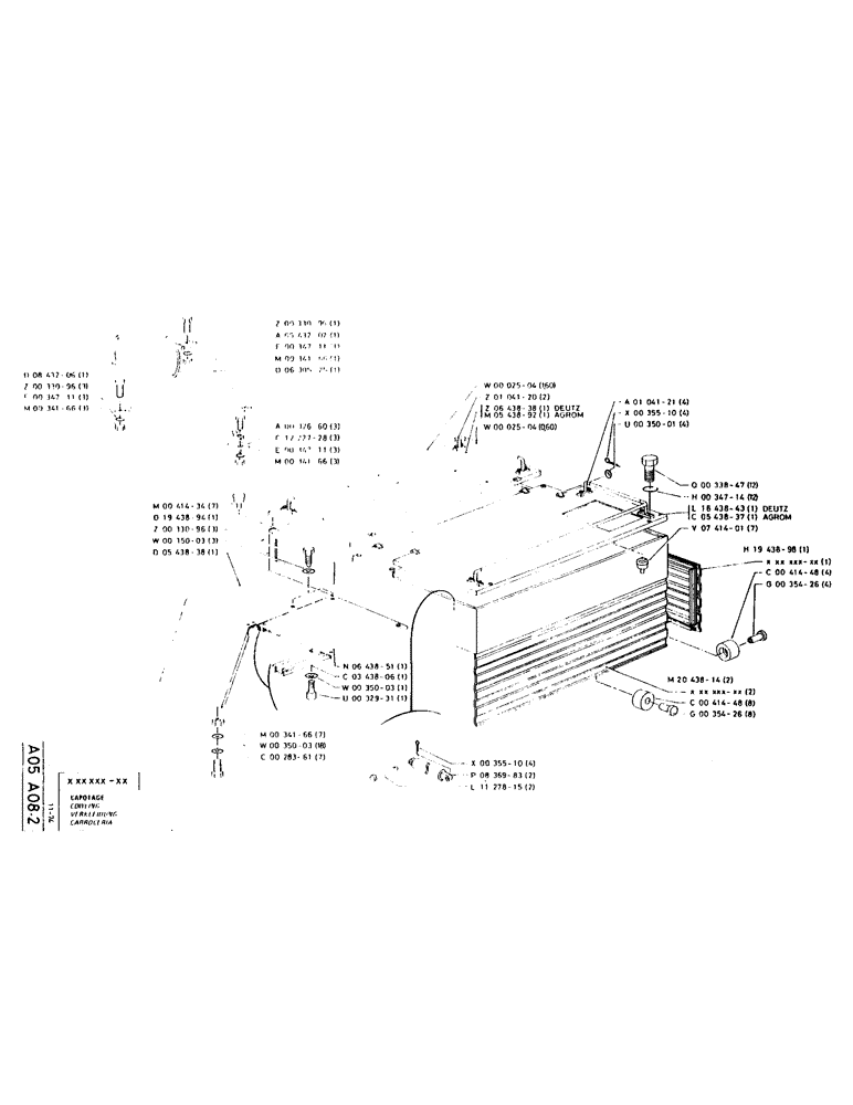
Запчасти Case LC80M (005) - COWLING

Схема запчастей Case LC80M - (005) - COWLING
FIT
1:1
100%

Артикул

Название

Примечание

Количество

P843206

MIRROR, ATTACHMENT

MIRROR

1шт.

P33096

SCREW

/BOLT, M10 x 25

3шт.

P34711

WASHER

3шт.

100016

NUT,M10 x 1.5, Cl 8

3шт.

P41434

STOP

7шт.

P1943894

1шт.

P33096

SCREW

/BOLT, M10 x 25

3шт.

P35003

WASHER

3шт.

P543838

1шт.

P33096

SCREW

/BOLT, M10 x 25

1шт.

P43207

1шт.

P34711

WASHER

1шт.

100016

NUT,M10 x 1.5, Cl 8

1шт.

P630525

1шт.

11106231

BOLT,Hex, M10 x 1.5 x 25mm, Cl 10.9

BOLT, Hex, M10 x 25, 10.9, Full Thd

3шт.

P1222728

PLATE

3шт.

P34711

WASHER

3шт.

100016

NUT,M10 x 1.5, Cl 8

3шт.

P643851

HOOD

1шт.

P343806

1шт.

P35003

WASHER

1шт.

P32931

SCREW

/BOLT, M10 x 20

1шт.

100016

NUT,M10 x 1.5, Cl 8

7шт.

P35003

WASHER

18шт.

43140

BOLT,Hex, M10 x 1.5 x 30mm, Cl 8.8

7шт.

P2504

TUBE

PIPE

1шт.

P104120

2шт.

P643838

1шт.

P543592

1шт.

P2504

TUBE

PIPE

1шт.

P35510

SPLIT PIN

2 x 20

4шт.

P836983

GAS STRUT

2шт.

P1127815

PIN

2шт.

P104121

4шт.

P35510

SPLIT PIN

2 x 20

4шт.

P35001

WASHER

4шт.

P33847

SCREW

/BOLT, M14 x 45

12шт.

P34714

WASHER, LOCK

WASHER

12шт.

P1643843

1шт.

P543837

1шт.

P741401

STOP

7шт.

P1943898

1шт.

P41448

STOP

4шт.

P35426

RIVET

4шт.

P2043814

2шт.

P41448

STOP

8шт.

P35426

RIVET

8шт.

Выбрано товаров: 47