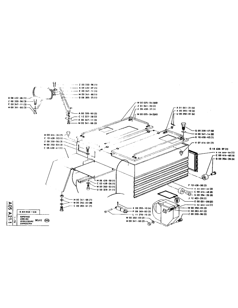
Запчасти Case LC80M (006) - COWLING

Схема запчастей Case LC80M - (006) - COWLING
FIT
1:1
100%

Артикул

Название

Примечание

Количество

P843206

MIRROR, ATTACHMENT

MIRROR

1шт.

P33096

SCREW

/BOLT, M10 x 25

3шт.

P34711

WASHER

3шт.

100016

NUT,M10 x 1.5, Cl 8

3шт.

P41434

STOP

7шт.

P1943893

1шт.

P33096

SCREW

/BOLT, M10 x 25

3шт.

P35003

WASHER

3шт.

P643841

1шт.

P33096

SCREW

/BOLT, M10 x 25

1шт.

P943207

1шт.

P34711

WASHER

1шт.

100016

NUT,M10 x 1.5, Cl 8

1шт.

P630525

1шт.

11106231

BOLT,Hex, M10 x 1.5 x 25mm, Cl 10.9

BOLT, Hex, M10 x 25, 10.9, Full Thd

3шт.

P1222728

PLATE

3шт.

P34711

WASHER

3шт.

100016

NUT,M10 x 1.5, Cl 8

3шт.

P643850

1шт.

P343806

1шт.

P35003

WASHER

1шт.

P32931

SCREW

/BOLT, M10 x 20

1шт.

100016

NUT,M10 x 1.5, Cl 8

7шт.

P35003

WASHER

18шт.

43140

BOLT,Hex, M10 x 1.5 x 30mm, Cl 8.8

7шт.

P2504

TUBE

PIPE

1шт.

P104120

2шт.

P643837

1шт.

P2504

TUBE

PIPE

1шт.

P35510

SPLIT PIN

2 x 20

4шт.

P836983

GAS STRUT

2шт.

P1127815

PIN

2шт.

P35003

WASHER

2шт.

100016

NUT,M10 x 1.5, Cl 8

2шт.

P104121

4шт.

P35510

SPLIT PIN

2 x 20

4шт.

P35001

WASHER

4шт.

P33847

SCREW

/BOLT, M14 x 45

12шт.

P34714

WASHER, LOCK

WASHER

12шт.

P1643842

1шт.

P741401

STOP

7шт.

P1943897

1шт.

P41448

STOP

4шт.

P35426

RIVET

4шт.

P1943896

2шт.

P41448

STOP

8шт.

P35426

RIVET

8шт.

P1240329

1шт.

P3109

GASKET

SEAL

1шт.

P35003

WASHER

2шт.

43140

BOLT,Hex, M10 x 1.5 x 30mm, Cl 8.8

2шт.

P33096

SCREW

/BOLT, M10 x 25

2шт.

Выбрано товаров: 52