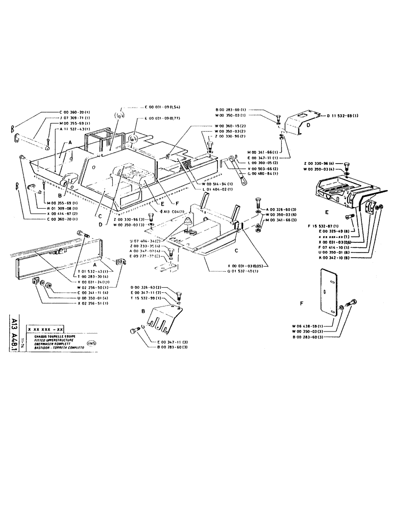
Запчасти Case LC80M (008) - FITTED UPPERSTRUCTURE

Схема запчастей Case LC80M - (008) - FITTED UPPERSTRUCTURE
FIT
1:1
100%

Артикул

Название

Примечание

Количество

P36020

SPLIT PIN/SAFETY PIN

1шт.

P730971

HEADED PIN

1шт.

P35569

SPLIT PIN

1шт.

P1153243

1шт.

P35569

SPLIT PIN

1шт.

P130908

HEADED PIN

PIN, HEADED

1шт.

P41467

STOP

2шт.

P36020

SPLIT PIN/SAFETY PIN

1шт.

P153243

1шт.

P28330

SCREW

/BOLT, M6 x 12

4шт.

P3124

SEAL

1шт.

P225650

1шт.

15896221

NUT,Hex, M6, 5.20mm High, Cl 10

4шт.

P35001

WASHER

4шт.

P225651

1шт.

P3109

GASKET

SEAL

1шт.

P3109

GASKET

SEAL

1шт.

P33096

SCREW

/BOLT, M10 x 25

3шт.

P35003

WASHER

3шт.

P740434

2шт.

P23335

4шт.

P34707

WASHER

4шт.

P922633

2шт.

P32663

SCREW

/BOLT, M10 x 35

2шт.

P34711

WASHER

2шт.

P1553299

1шт.

P34711

WASHER

3шт.

P28360

SCREW

/BOLT, M10 x 20

3шт.

P28360

SCREW

/BOLT, M10 x 20

1шт.

P35003

WASHER

1шт.

P36015

SPLIT PIN/SAFETY PIN

SPLIT PIN/SAFET

2шт.

P35003

WASHER

2шт.

P33096

SCREW

/BOLT, M10 x 25

2шт.

P51494

1шт.

P140402

1шт.

P3103

1шт.

P153240

1шт.

P1153269

1шт.

P33096

SCREW

/BOLT, M10 x 25

1шт.

P35003

WASHER

4шт.

P1553287

1шт.

P32549

SCREW

/BOLT, M6 x 16

6шт.

P3103

1шт.

P741410

1шт.

P35001

WASHER

6шт.

P34210

NUT

6шт.

P643859

1шт.

P35003

WASHER

3шт.

P28360

SCREW

/BOLT, M10 x 20

3шт.

Выбрано товаров: 49