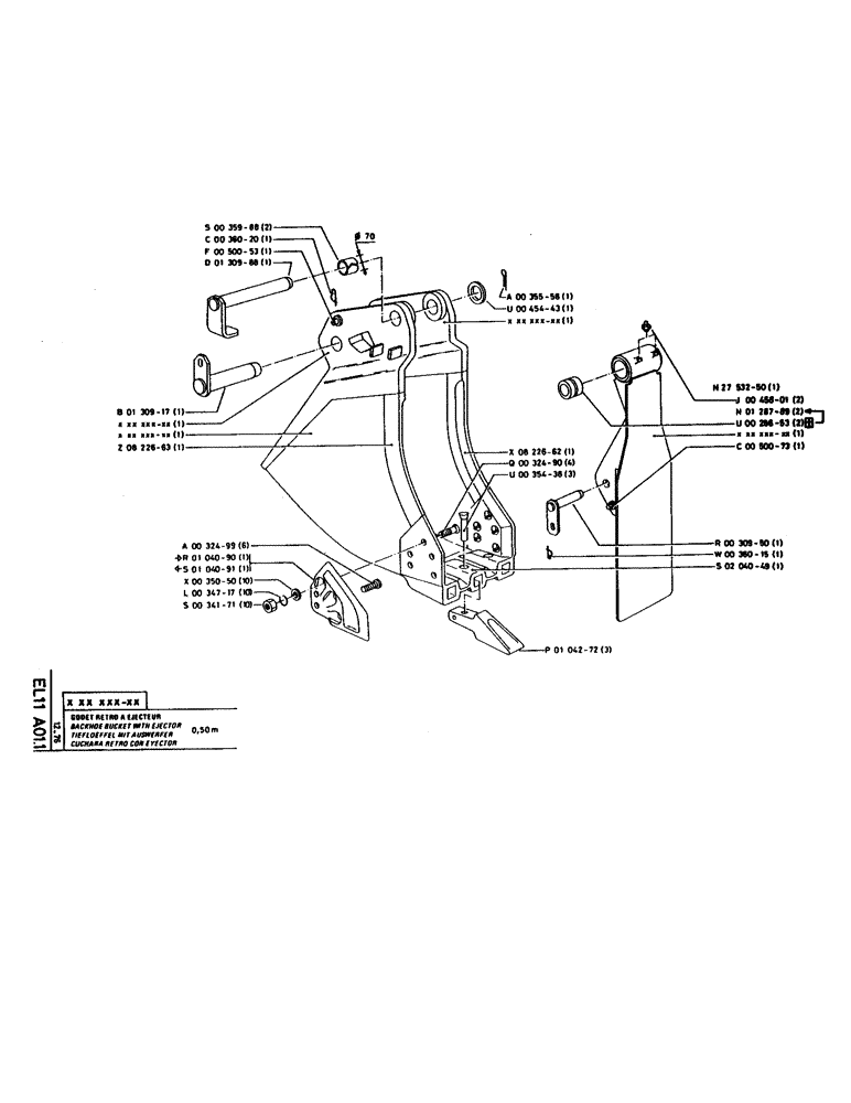
Запчасти Case LC80M (123) - BACKHOE BUCKET WITH EJECTOR

Схема запчастей Case LC80M - (123) - BACKHOE BUCKET WITH EJECTOR
FIT
1:1
100%

Артикул

Название

Примечание

Количество

P35988

BUSHING

2шт.

P36020

SPLIT PIN/SAFETY PIN

1шт.

P50053

SHAFT LOCK

1шт.

P130988

1шт.

P130917

LARGE PIN

1шт.

P822663

STIFFENER

1шт.

P32499

SCREW

6шт.

P104090

BLADE

1шт.

P104091

BLADE

1шт.

P35050

WASHER

10шт.

P34717

WASHER, LOCK

WASHER

10шт.

P34171

NUT

10шт.

P35558

SPLIT PIN

8 x 100

1шт.

P45443

WASHER

1шт.

P822662

STIFFENER

1шт.

P32490

SCREW

4шт.

P35438

RIVET

3шт.

P104272

TOOTH

3шт.

P2753250

KNOCKER

1шт.

J45801

LUBE NIPPLE,M8 x 1.25

GREASE NIPPLE, M8 x 1.25

2шт.

P128789

BUSHING

60 x 75 x 65

2шт.

P28653

BRONZE BUSHING

2шт.

P50073

SHAFT LOCK

1шт.

P30950

HEADED PIN

PIN, HEADED

1шт.

P36015

SPLIT PIN/SAFETY PIN

SPLIT PIN/SAFET

1шт.

P204049

1шт.

Выбрано товаров: 26