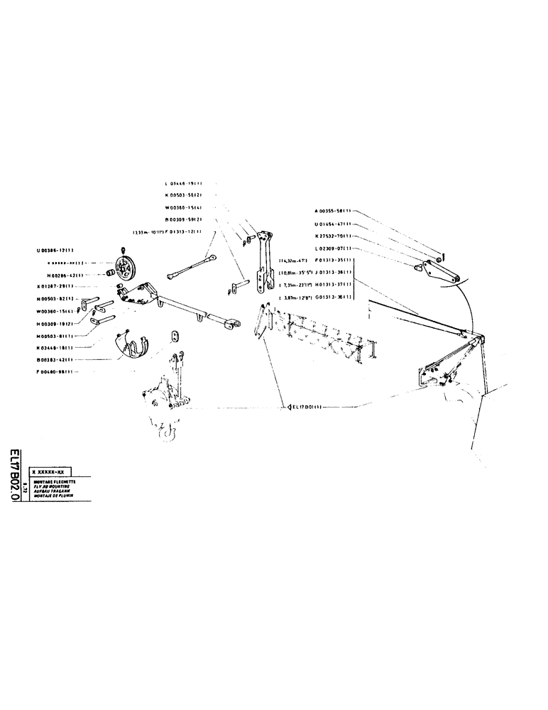
Запчасти Case LC80M (158) - FLY JIB MOUNTING

Схема запчастей Case LC80M - (158) - FLY JIB MOUNTING
FIT
1:1
100%

Артикул

Название

Примечание

Количество

P38612

1шт.

P28642

1шт.

P128729

BUSHING

1шт.

P50382

1шт.

P36015

SPLIT PIN/SAFETY PIN

SPLIT PIN/SAFET

4шт.

P30919

HEADED PIN

PIN, HEADED

2шт.

P50381

1шт.

P344618

1шт.

P38342

1шт.

P48098

1шт.

P344619

1шт.

P50356

HEADED PIN

PIN

2шт.

P36015

SPLIT PIN/SAFETY PIN

SPLIT PIN/SAFET

4шт.

P30959

HEADED PIN

PIN, HEADED

2шт.

P131312

1шт.

P35558

SPLIT PIN

8 x 100

1шт.

P145447

1шт.

P2753270

1шт.

P230907

1шт.

P131335

AIR FILTER

1шт.

P131335

AIR FILTER

1шт.

P131337

AIR FILTER

1шт.

P131336

AIR FILTER

1шт.

Выбрано товаров: 23