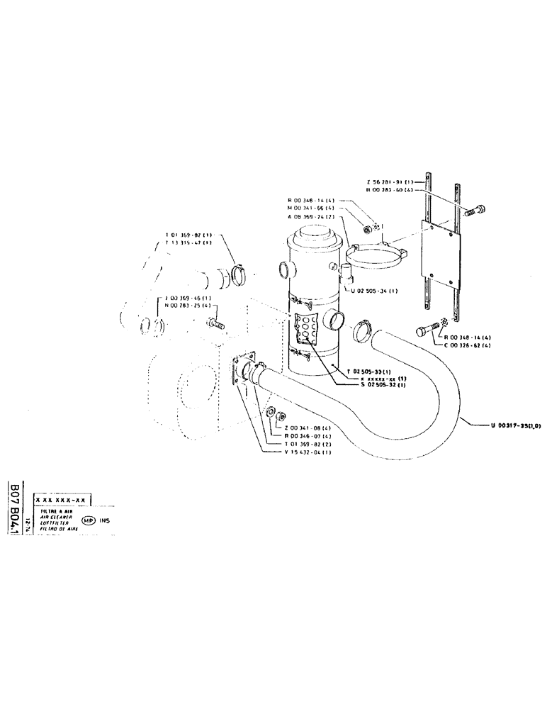
Запчасти Case LC80M (032) - AIR CLEANER

Схема запчастей Case LC80M - (032) - AIR CLEANER
FIT
1:1
100%

Артикул

Название

Примечание

Количество

P136982

COLLAR CLAMP

CLAMP COLLAR

1шт.

P1331947

1шт.

P36946

COLLAR CLAMP

CLAMP COLLAR

1шт.

P28325

SCREW

4шт.

P34814

WASHER

4шт.

100016

NUT,M10 x 1.5, Cl 8

4шт.

P836924

CLAMP

2шт.

P5628191

1шт.

P28360

SCREW

/BOLT, M10 x 20

4шт.

P250534

1шт.

P34814

WASHER

4шт.

P32662

SCREW

/BOLT, M10 x 30 x 30

4шт.

P250533

1шт.

P250532

1шт.

P34108

NUT

4шт.

P34607

WASHER

4шт.

P136982

COLLAR CLAMP

CLAMP COLLAR

2шт.

P1543204

1шт.

P5628191

1шт.

P28360

SCREW

/BOLT, M10 x 20

4шт.

P34814

WASHER

4шт.

P32662

SCREW

/BOLT, M10 x 30 x 30

4шт.

P31735

1шт.

Выбрано товаров: 23