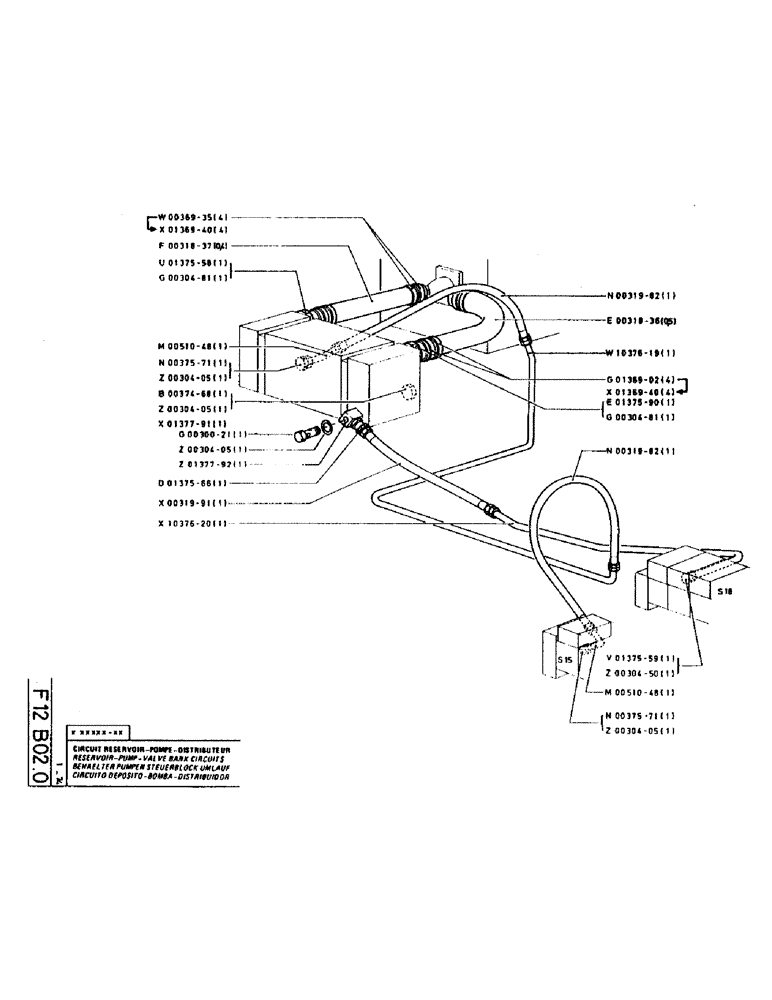
Запчасти Case LC80M (043) - RESERVOIR - PUMP - VALVE BANK CIRCUITS

Схема запчастей Case LC80M - (043) - RESERVOIR - PUMP - VALVE BANK CIRCUITS
FIT
1:1
100%

Артикул

Название

Примечание

Количество

P36935

COLLAR CLAMP

CLAMP COLLAR

4шт.

P136940

4шт.

P31837

LARGE HOSE

1шт.

P137558

1шт.

P30481

O-RING,0.139" Thk x 1.984" ID, -226, Cl 5, 75 Duro

SEAL, 3.53 x 50.39-80

1шт.

P51048

PIPE

12 x 17

1шт.

P37571

UNION

1шт.

P30405

O-RING

SEAL, 2.62 x 32.99-80

1шт.

P37468

PLUG

1шт.

P30405

O-RING

SEAL, 2.62 x 32.99-80

1шт.

P137791

FITTING

1шт.

P30021

BANJO BOLT

FEMALE SCREW

1шт.

P30405

O-RING

SEAL, 2.62 x 32.99-80

1шт.

P137792

FITTING

CONNECTION

1шт.

P137566

UNION

1шт.

P31991

HOSE

1шт.

P137620

1шт.

P31982

HOSE

1шт.

P31836

LARGE HOSE

HOSE

1шт.

P1037619

PIPE

1шт.

P136902

COLLAR CLAMP

CLAMP COLLAR

4шт.

P136940

4шт.

P137590

1шт.

P30481

O-RING,0.139" Thk x 1.984" ID, -226, Cl 5, 75 Duro

SEAL, 3.53 x 50.39-80

1шт.

P31982

HOSE

1шт.

P137559

UNION

1шт.

P30450

O-RING,3mm Thk x 36mm ID

1шт.

P51048

PIPE

12 x 17

1шт.

P37571

UNION

1шт.

P30405

O-RING

SEAL, 2.62 x 32.99-80

1шт.

Выбрано товаров: 30