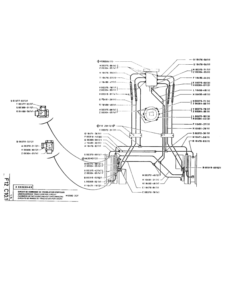
Запчасти Case LC80M (048) - UPPERCARRIAGE TRACK CONTROL CIRCUIT

Схема запчастей Case LC80M - (048) - UPPERCARRIAGE TRACK CONTROL CIRCUIT
FIT
1:1
100%

Артикул

Название

Примечание

Количество

P337702

2шт.

P337703

2шт.

P30031

2шт.

P146056

COMPOSITE SEAL

METAL PLASTICS

4шт.

P637032

2шт.

P637031

2шт.

P30080

2шт.

P30405

O-RING

SEAL, 2.62 x 32.99-80

4шт.

P37568

UNION

4шт.

P30405

O-RING

SEAL, 2.62 x 32.99-80

4шт.

P1947659

1шт.

P1947657

1шт.

P1849047

1шт.

P37578

UNION

1шт.

P30405

O-RING

SEAL, 2.62 x 32.99-80

1шт.

P31991

HOSE

4шт.

P1049128

1шт.

P1849045

1шт.

P37568

UNION

4шт.

P30405

O-RING

SEAL, 2.62 x 32.99-80

4шт.

P37531

1шт.

P1647136

1шт.

P31814

PIPE

1шт.

P36998

COLLAR CLAMP

CLAMP COLLAR

2шт.

P1049130

1шт.

P1847682

1шт.

P37069

ANGLE

PIECE

4шт.

P37468

PLUG

2шт.

P30405

O-RING

SEAL, 2.62 x 32.99-80

2шт.

P31902

PIPE

1шт.

P36902

COLLAR CLAMP

CLAMP COLLAR

4шт.

P1647118

PIPE

2шт.

P37248

TEE

T PIECE, DN10 x 17 x 10

2шт.

P1049131

1шт.

P1849048

1шт.

P1847684

1шт.

P37078

ELBOW-CONNECTION

4шт.

P1947658

1шт.

P1947656

1шт.

P37571

UNION

1шт.

P30405

O-RING

SEAL, 2.62 x 32.99-80

1шт.

P1849044

1шт.

P37563

UNION

2шт.

P30401

O-RING,2.5mm Thk x 18.5mm ID

2шт.

P1849049

1шт.

P1849046

1шт.

P37571

UNION

1шт.

P30405

O-RING

SEAL, 2.62 x 32.99-80

1шт.

P37578

UNION

1шт.

P30405

O-RING

SEAL, 2.62 x 32.99-80

1шт.

P37592

UNION

3шт.

P30444

O-RING,2.5mm Thk x 15mm ID, 80 Duro

2.5 x 15

3шт.

P1049127

1шт.

P1049129

1шт.

P37230

TEE

T PIECE

1шт.

P1647156

1шт.

P1847683

1шт.

P31902

PIPE

1шт.

Выбрано товаров: 58