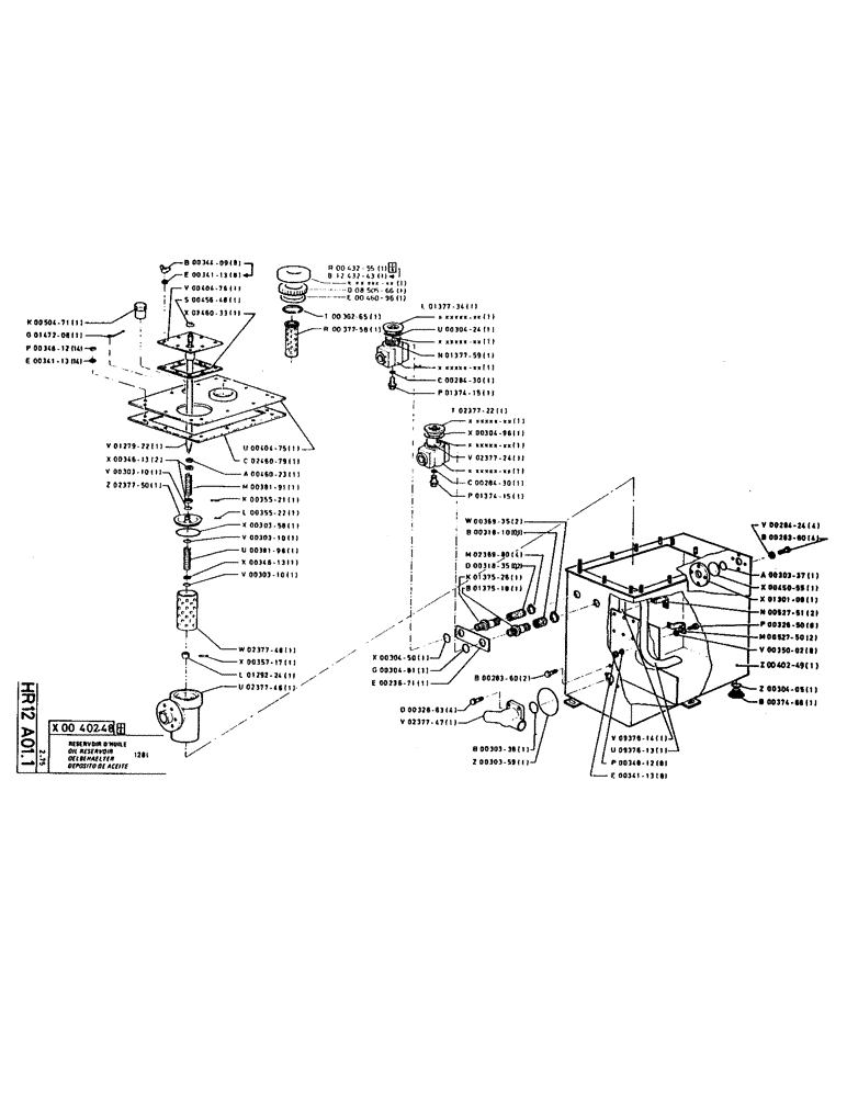
Запчасти Case LC80M (076) - OIL RESERVOIR

Схема запчастей Case LC80M - (076) - OIL RESERVOIR
FIT
1:1
100%

Артикул

Название

Примечание

Количество

P50471

1шт.

P147206

1шт.

P34812

WASHER

14шт.

P34113

NUT

14шт.

P34409

NUT, WING

WING NUT

8шт.

P34113

NUT

8шт.

P40476

1шт.

P45648

WASHER

1шт.

P346033

GASKET

SEAL

1шт.

P127922

1шт.

P34613

WASHER

2шт.

P30310

SEAL

2.7 x 12.1

1шт.

P237750

1шт.

P40475

1шт.

P246079

GASKET

1шт.

P46023

WASHER

1шт.

P38191

COMPRESSION SPRING

1шт.

P35521

SPLIT PIN

3 x 30

1шт.

P35522

SPLIT PIN

3 x 40

1шт.

P30358

O-RING

SEAL, 6.99 x 129.54-80

1шт.

P30310

SEAL

2.7 x 12.1

1шт.

P38198

COMPRESSION SPRING

1шт.

P34613

WASHER

1шт.

P30310

SEAL

2.7 x 12.1

1шт.

P237748

FILTER BOWL

1шт.

P35717

SPLIT PIN/SAFETY PIN

SPLIT PIN, 3 x 17

1шт.

P129224

COLLAR

1шт.

P237746

1шт.

P43255

PLUG

1шт.

P1243243

PLUG

1шт.

P850566

CARTRIDGE

1шт.

P46096

WASHER, SEALING

SEAL, 88 x 100 x 3

1шт.

P36265

1шт.

P37758

FILTER BOWL

1шт.

P137734

1шт.

P30424

O-RING

1шт.

P137759

SCREEN

1шт.

P28430

COMPOSITE SEAL

METAL PLASTICS

1шт.

P137415

PLUG

1шт.

P237722

1шт.

P30496

O-RING

1шт.

P237724

SCREEN

1шт.

P28430

COMPOSITE SEAL

METAL PLASTICS

1шт.

P137415

PLUG

1шт.

P36935

COLLAR CLAMP

CLAMP COLLAR

2шт.

P31810

HOSE, BULK

PIPE

1шт.

P236980

CLAMP COLLAR

4шт.

P31835

LARGE HOSE

HOSE

1шт.

P137526

1шт.

P137518

1шт.

P30450

O-RING,3mm Thk x 36mm ID

3 x 36

1шт.

P30481

O-RING,0.139" Thk x 1.984" ID, -226, Cl 5, 75 Duro

SEAL, 3.53 x 50.39-80

1шт.

P23671

1шт.

P32663

SCREW

/BOLT, M10 x 35

4шт.

P237747

1шт.

P28360

SCREW

/BOLT, M10 x 20

2шт.

P30338

O-RING

SEAL, 5.33 x 69.22-80

1шт.

P30359

O-RING

SEAL, 6.99 x 132.72-80

1шт.

P937614

1шт.

P937613

1шт.

P34812

WASHER

8шт.

P34113

NUT

8шт.

P28424

COMPOSITE SEAL

METAL PLASTICS

4шт.

P28360

SCREW

/BOLT, M10 x 20

4шт.

P30337

O-RING

SEAL, 5.33 x 66.04-80

1шт.

P45055

SIGHTGLASS

1шт.

P130109

BODY

1шт.

P52751

2шт.

120104

BOLT,Hex, M8 x 1.25 x 20mm, Cl 8.8

BOLT, Hex, M8 x 20, 8.8

8шт.

P52750

2шт.

P35002

WASHER

8шт.

P40249

1шт.

P30405

O-RING

SEAL, 2.62 x 32.99-80

1шт.

P37468

PLUG

1шт.

Выбрано товаров: 74