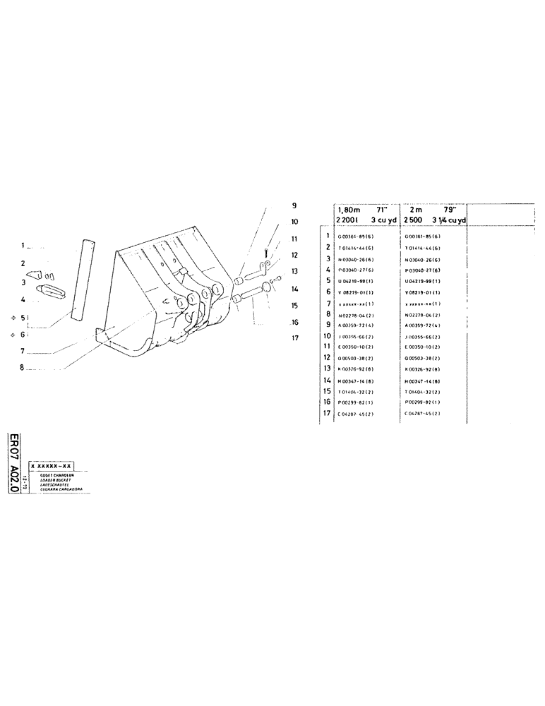
Запчасти Case RC200L (118[1]) - LOADER BUCKET - 2 M, 2500 L (79" 3 1/4 CU. YD.)

Схема запчастей Case RC200L - (118[1]) - LOADER BUCKET - 2 M, 2500 L (79" 3 1/4 CU. YD.)
FIT
1:1
100%

Артикул

Название

Примечание

Количество

1

P36185

KEY

6шт.

2

P141444

BLOCK

6шт.

3

P304026

6шт.

4

P304027

SUPPORT

6шт.

5

P421999

1шт.

6

P821901

1шт.

8

P227804

SHAFT LOCK

2шт.

9

P35972

BUSHING

75 x 85 x 68

4шт.

10

P35566

SPLIT PIN

10 x 100

2шт.

11

P35010

WASHER

2шт.

12

P50338

HEADED PIN

PIN

2шт.

13

P32692

SCREW

8шт.

14

P34714

WASHER, LOCK

WASHER

8шт.

15

P140432

COVER

2шт.

16

P29982

PIN

1шт.

17

P428745

BUSHING

75.5 x 100 x 75

2шт.

Выбрано товаров: 16