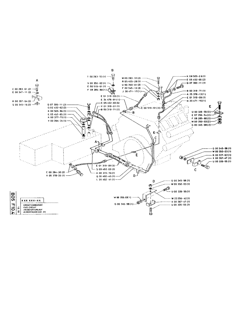
Запчасти Case RC200L (019) - FUEL CIRCUIT

Схема запчастей Case RC200L - (019) - FUEL CIRCUIT
FIT
1:1
100%

Артикул

Название

Примечание

Количество

43140

BOLT,Hex, M10 x 1.5 x 30mm, Cl 8.8

2шт.

P34711

WASHER

2шт.

P26764

PIPE CLAMP

2шт.

P34516

NUT

2шт.

P730011

BANJO BOLT

FEMALE SCREW

2шт.

P243262

2шт.

P50586

BREATHER

1шт.

P545265

COPPER SEAL

14.2 x 19 x 1.5

1шт.

P37775

1шт.

P28424

COMPOSITE SEAL

METAL PLASTICS

1шт.

P28430

COMPOSITE SEAL

METAL PLASTICS

2шт.

P37833

COCK

SHUTOFF/COCK

1шт.

P28353

SCREW

/BOLT, M8 x 30

1шт.

P35002

WASHER

1шт.

P51961

CLAMP

COLLAR

1шт.

P828580

SPACER

1шт.

P131909

HOSE

1шт.

P3447681

1шт.

P545265

COPPER SEAL

14.2 x 19 x 1.5

6шт.

P131901

HOSE

1шт.

P31971

HOSE

1шт.

P131909

HOSE

2шт.

P949203

2шт.

P31970

1шт.

P2049245

1шт.

P2049241

1шт.

P28333

SCREW

/BOLT, M6 x 30 x 30

2шт.

P543528

DEUTZ PART

PUMP

1шт.

P35001

WASHER

2шт.

P234513

SAFETY NUT

2шт.

P3047117

1шт.

P51961

CLAMP

COLLAR

2шт.

P35003

WASHER

1шт.

P34598

SAFETY NUT

1шт.

P34598

SAFETY NUT

1шт.

P35003

WASHER

1шт.

325829

BOLT,Hex, M10 x 1.5 x 45mm, Cl 8.8

1шт.

P2325642

1шт.

P26747

PIPE CLAMP

1шт.

325829

BOLT,Hex, M10 x 1.5 x 45mm, Cl 8.8

1шт.

P850526

DEUTZ PART

GASOIL FILTER

1шт.

P545265

COPPER SEAL

14.2 x 19 x 1.5

2шт.

P730011

BANJO BOLT

FEMALE SCREW

1шт.

P31971

HOSE

1шт.

P2537613

1шт.

P131909

HOSE

1шт.

P3047116

1шт.

325829

BOLT,Hex, M10 x 1.5 x 45mm, Cl 8.8

2шт.

P725654

SHIN

BRACKET

2шт.

P828580

SPACER

2шт.

P35003

WASHER

2шт.

P34598

SAFETY NUT

2шт.

P34598

SAFETY NUT

1шт.

P35003

WASHER

1шт.

P22762

1шт.

P26747

PIPE CLAMP

1шт.

325829

BOLT,Hex, M10 x 1.5 x 45mm, Cl 8.8

1шт.

Выбрано товаров: 57