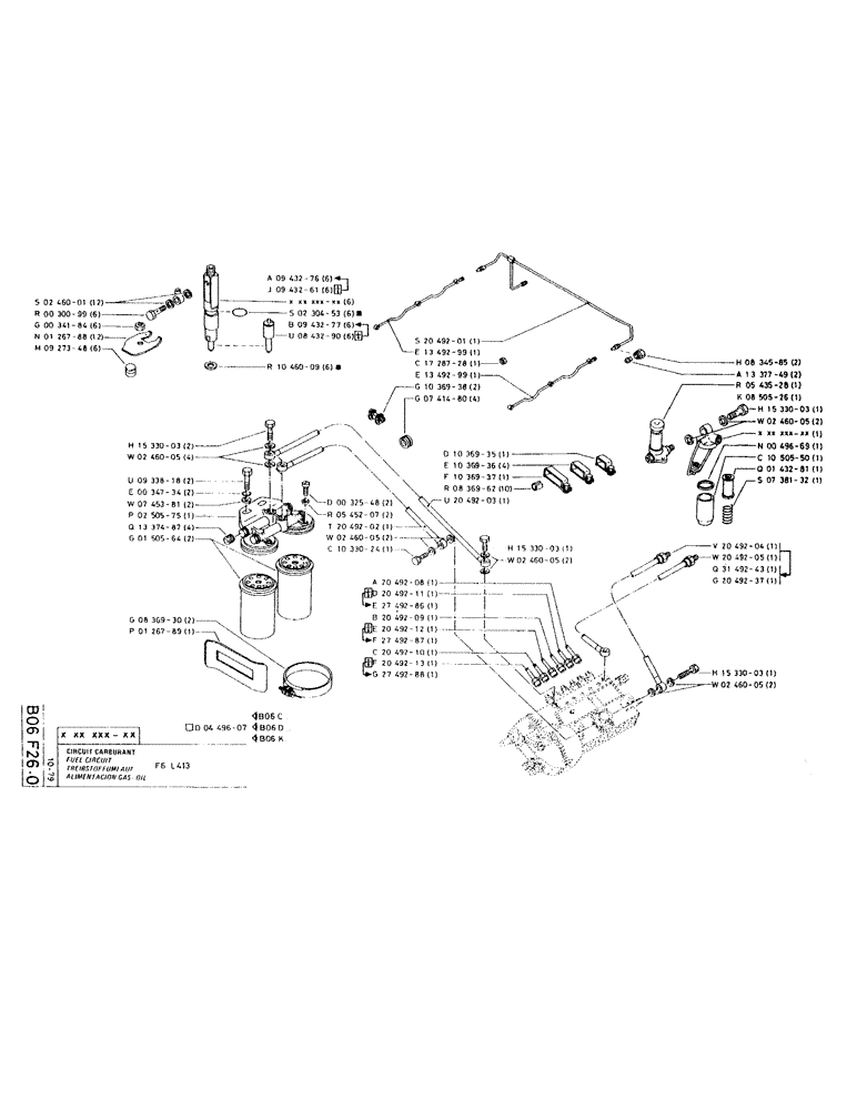
Запчасти Case RC200L (026) - FUEL CIRCUIT

Схема запчастей Case RC200L - (026) - FUEL CIRCUIT
FIT
1:1
100%

Артикул

Название

Примечание

Количество

P246001

COPPER SEAL

8.2 x 11.4

12шт.

P30099

BANJO BOLT

FEMALE SCREW

6шт.

86500689

NUT,M10 x 1.5, Cl 10

6шт.

P126788

DEUTZ PART

PLATE

12шт.

P927348

DEUTZ PART

DOWEL

6шт.

P1533003

DEUTZ PART

FEMALE SCREW

2шт.

P246005

COMPOSITE SEAL

4шт.

P933818

SCREW

/BOLT, M10 x 40 x 40

2шт.

P34734

WASHER

2шт.

P745381

DEUTZ PART

2шт.

P250575

SUPPORT

1шт.

P1337487

DEUTZ PART

PLUG

4шт.

P150564

CARTRIDGE

2шт.

P836930

DEUTZ PART

COLLAR

2шт.

P126789

SUPPORT

BRACKET

1шт.

P449607

DEUTZ PART

SET OF SEALS

1шт.

P943276

DEUTZ PART

NOZZLE HOLDER

6шт.

P943261

6шт.

P230453

DEUTZ PART

4 x 20

6шт.

P943277

DEUTZ PART

INJECTOR

6шт.

P843290

6шт.

P1046009

DEUTZ PART

SEAL

6шт.

P32548

BOLT

SCREW/BOLT, M6 x 10

2шт.

P545207

DEUTZ PART

COPPER SEAL

2шт.

P2049202

1шт.

P246005

COMPOSITE SEAL

2шт.

P1033024

BOLT

FEMALE SCREW

1шт.

P2049201

DEUTZ PART

PIPE

1шт.

P1349299

1шт.

P1728728

DEUTZ PART

BUSHING

1шт.

P1349299

1шт.

P1036938

DEUTZ PART

COLLAR

2шт.

P741480

DEUTZ PART

BUSHING

4шт.

P1036935

1шт.

P1036936

DEUTZ PART

COLLAR

4шт.

P1036937

DEUTZ PART

COLLAR

1шт.

P836962

DEUTZ PART

CONNECTING STRI

10шт.

P2049203

1шт.

P1533003

DEUTZ PART

FEMALE SCREW

1шт.

P246005

COMPOSITE SEAL

2шт.

P2049208

1шт.

P2049211

1шт.

P2749286

1шт.

P2049209

1шт.

P2049212

1шт.

P2749287

1шт.

P2049210

1шт.

P2049213

1шт.

P2749288

1шт.

P834585

DEUTZ PART

NUT

2шт.

P1337749

DEUTZ PART

SEAL RING

2шт.

P543528

DEUTZ PART

PUMP

1шт.

P850526

DEUTZ PART

GASOIL FILTER

1шт.

P1533003

DEUTZ PART

FEMALE SCREW

1шт.

P246005

COMPOSITE SEAL

2шт.

P49669

DEUTZ PART

SEAL

1шт.

P1050550

SUCTION BOWL

1шт.

P143281

SCREEN

1шт.

P738132

DEUTZ PART

COMPRESSION SPR

1шт.

P2049204

1шт.

P2049205

1шт.

P3149243

1шт.

P2049237

DEUTZ PART

PIPE

1шт.

P1533003

DEUTZ PART

FEMALE SCREW

1шт.

P246005

COMPOSITE SEAL

2шт.

Выбрано товаров: 65