Запчасти Case RC200L (086) - CD H15

Схема запчастей Case RC200L - (086) - CD H15
FIT
1:1
100%

Артикул

Название

Примечание

Количество

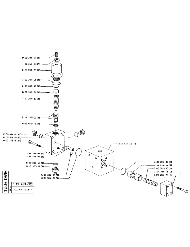
P37411

PLUG

2шт.

P30444

O-RING,2.5mm Thk x 15mm ID, 80 Duro

2.5 x 15

2шт.

P32657

SCREW

/BOLT, M10 x 60

4шт.

P32834

SCREW

/BOLT, M10 x 30

1шт.

P34563

NUT

1шт.

P29787

COVER

1шт.

P30405

O-RING

SEAL, 2.62 x 32.99-80

1шт.

P30313

SEAL

2.7 x 16.9

1шт.

P28851

SEAL CARRIER, 22 x 10

1шт.

P738187

COMPRESSION SPR

1шт.

P1337702

VALVE POPPET

VALVE

1шт.

P545249

SEAL

20.2 x 25 x 2

1шт.

P30444

O-RING,2.5mm Thk x 15mm ID, 80 Duro

2.5 x 15

1шт.

P1343333

1шт.

P630413

O-RING

SEAL, 2.62 x 9.19-80

1шт.

P130486

O-RING

SEAL, 2.62 x 34.59-80

1шт.

P30405

O-RING

SEAL, 2.62 x 32.99-80

1шт.

P38160

COMPRESSION SPRING

COMPRESSION SPR

1шт.

P133813

SCREW

/BOLT, M10 x 50

4шт.

P929876

1шт.

Выбрано товаров: 20